zakaz@zapkomat.su
8 800 777-45-32
Расчитать заявку
Каталог
Типы
Гидравлика
Крепеж
Прокладки
Соединения
Кожухи
Электрика
Справочник
Запрос сотрудничества
Сервисным организациям
Контакты
Главная
Справочник
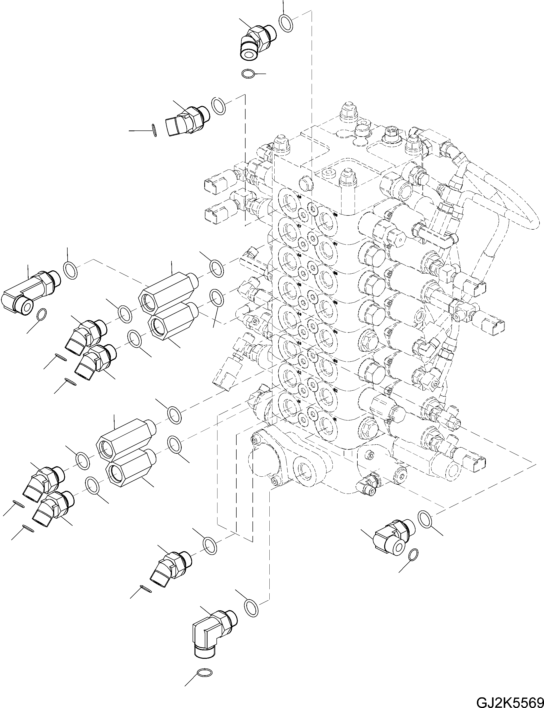
Запчасти основн. клапан (8-секционн./two-части стрела) - соединительн. части (/) экскаваторы pw140-7 s/n h55051-up Komatsu
1
02896-11015
O-RING
2
02783-10522
ELBOW
3
07002-12434
O-RING
4
02783-10628
ELBOW
5
02896-11018
O-RING
6
02782-10628
ELBOW
7
02782-10524
ELBOW
8
203-62-61410
JOINT
9
20E-62-K2180
ADAPTER
10
02782-10522
ELBOW
3
2
3
1
1
2
1
3
3
8
7
3
2
3
5
9
3
1
2
3
1
8
3
2
3
9
3
3
1
10
4
2
3
5
3
5
6
1
5
X
Рассчитать
Ваше имя:
Телефон *:
E-mail:
Сообщение: Пришлите наличие и стоимость
Оформить заказ