zakaz@zapkomat.su
8 800 777-45-32
Расчитать заявку
Каталог
Типы
Гидравлика
Крепеж
Прокладки
Соединения
Кожухи
Электрика
Справочник
Запрос сотрудничества
Сервисным организациям
Контакты
Главная
Справочник
Запчасти дополн. нижн. дворники less экскаваторы pc360lc-10 s/n k60001-up Komatsu
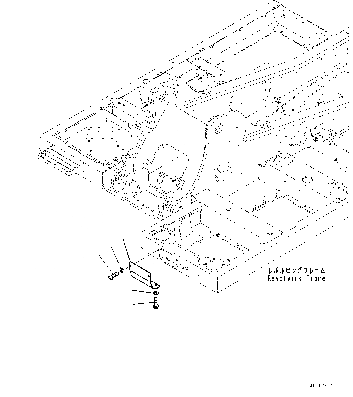
1
2A5-06-18341
Plate
2
01245-01230
Screw
3
01643-71232
Washer
1
2
3
3
2
X
Рассчитать
Ваше имя:
Телефон *:
E-mail:
Сообщение: Пришлите наличие и стоимость
Оформить заказ