zakaz@zapkomat.su
8 800 777-45-32
Расчитать заявку
Каталог
Типы
Гидравлика
Крепеж
Прокладки
Соединения
Кожухи
Электрика
Справочник
Запрос сотрудничества
Сервисным организациям
Контакты
Главная
Справочник
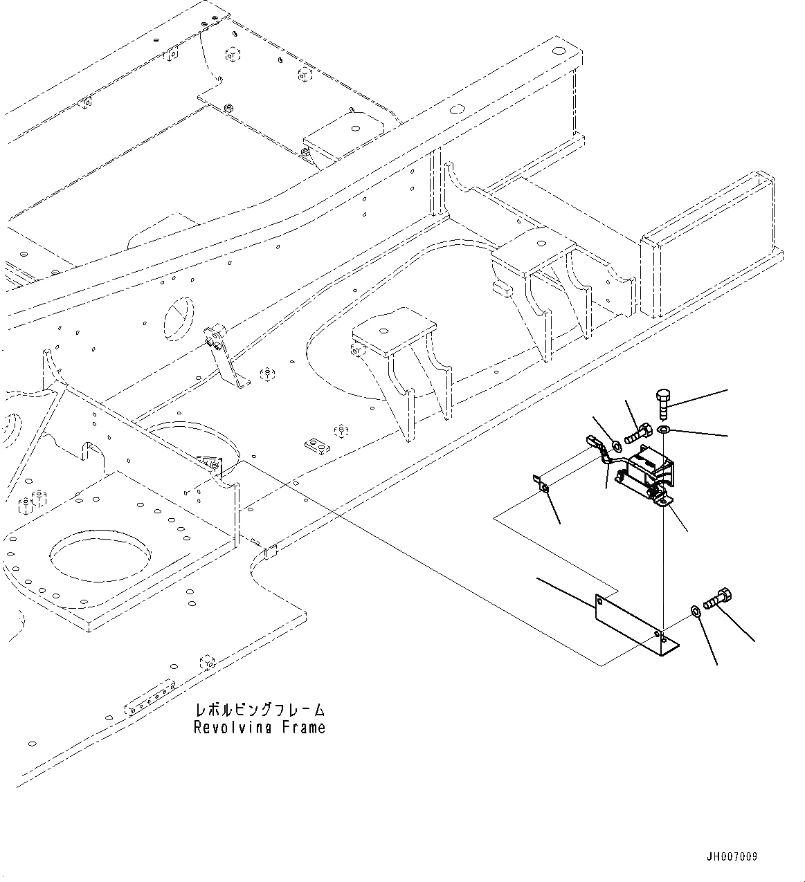
Запчасти сигнал хода экскаваторы pc210lc-10 s/n k60001-up Komatsu
1
20Y-06-41812
Alarm, Back-Up
2
20Y-06-31710
Bracket
3
01010-81020
Bolt
4
01643-31032
Washer
5
01010-81225
Bolt
6
01643-31232
Washer
7
08193-20012
Clip
8
04434-50612
Clip
6
5
2
7
8
1
4
3
5
6
X
Рассчитать
Ваше имя:
Телефон *:
E-mail:
Сообщение: Пришлите наличие и стоимость
Оформить заказ