zakaz@zapkomat.su
8 800 777-45-32
Расчитать заявку
Каталог
Типы
Гидравлика
Крепеж
Прокладки
Соединения
Кожухи
Электрика
Справочник
Запрос сотрудничества
Сервисным организациям
Контакты
Главная
Справочник
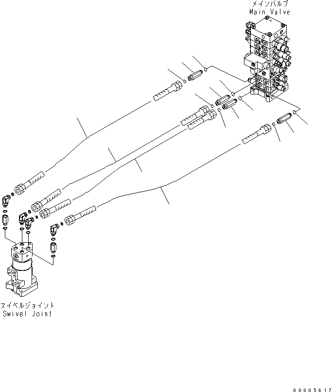
Запчасти линия хода экскаваторы pc180nlc-7k s/n k40001-up Komatsu
1
21K-62-71290
NIPPLE
2
02896-61018
O-RING
3
07002-62434
O-RING
4
02756-006A7
HOSE
5
02756-00608
HOSE
1
1
1
1
2
2
2
2
3
3
3
3
4
4
5
5
X
Рассчитать
Ваше имя:
Телефон *:
E-mail:
Сообщение: Пришлите наличие и стоимость
Оформить заказ