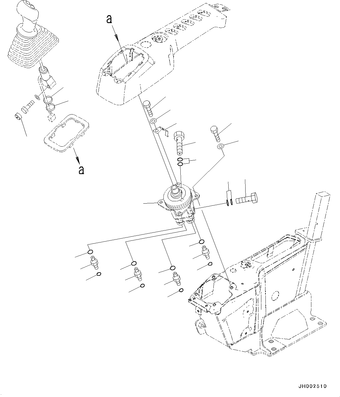
Запчасти кабина, -актуатор, клапан ppcдля рабоч. оборуд-я (/) экскаваторы pc190lc-8 s/n k50001-up Komatsu



|$0 702-16-05190 Valve, Pilot
1 Valve Body
2 706-86-51180 Plug
3 708-18-12570 Plug
4 Valve
5 702-16-51140 Shim, T=0.30mm
6 702-16-53420 Spring
7 702-16-53140 Retainer
8 702-16-51280 Spring
9 702-16-53170 Piston
10 702-16-71210 Seal
11 702-16-71160 Seat
12 702-16-71280 Boot
13 702-16-71131 Plate
14 702-16-71141 Plate
15 01010-80620 Bolt
16 702-16-51240 Universal Joint
17 702-16-71361 Disc
18 702-16-71441 Nut
5
6
10
11
9
7
6
5
4
16
4
2
3
1
8
7
15
11
8
9
10
13
14
17
12
18
X
Рассчитать