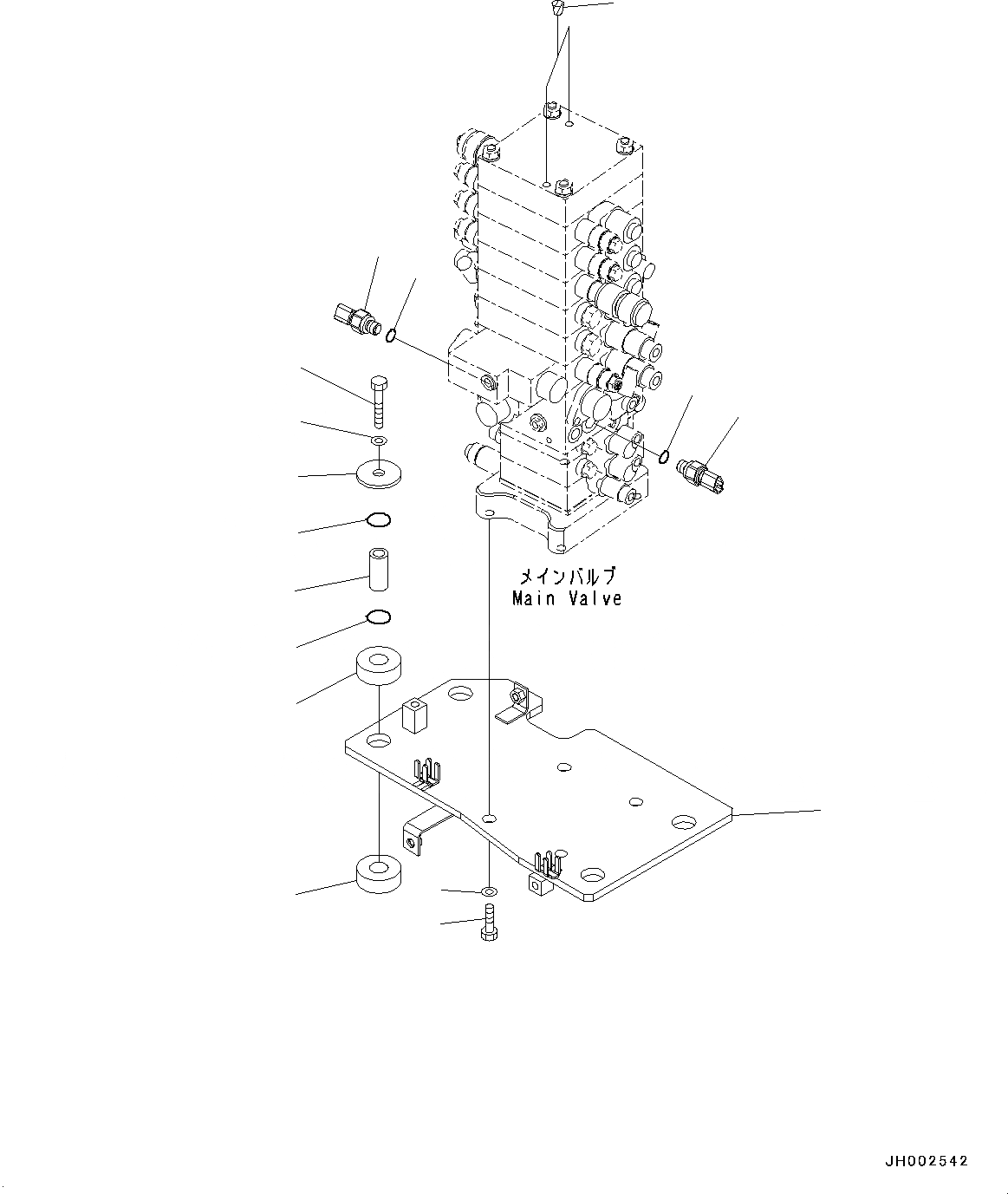
Запчасти основн. управляющ. клапан, -навесн. оборуд, 2-секционн. стрела, (/) экскаваторы pc190lc-8 s/n k50001-up Komatsu



1 21K-62-71122 Bracket
2 203-62-61581 Spacer
3 07000-13025 O-Ring
4 203-54-21110 Cushion
5 203-62-61572 Plate
6 01643-31645 Washer
7 01011-81600 Bolt
8 01643-31645 Washer
9 01010-81640 Bolt
10 7861-93-1812 Sensor
|10 7861-93-1811 Sensor
11 07002-61823 O-Ring
|11 07002-11823 O-Ring
12 07049-01012 Plug
10
12
4
3
11
9
8
7
6
4
5
1
3
2
10
11
X
Рассчитать