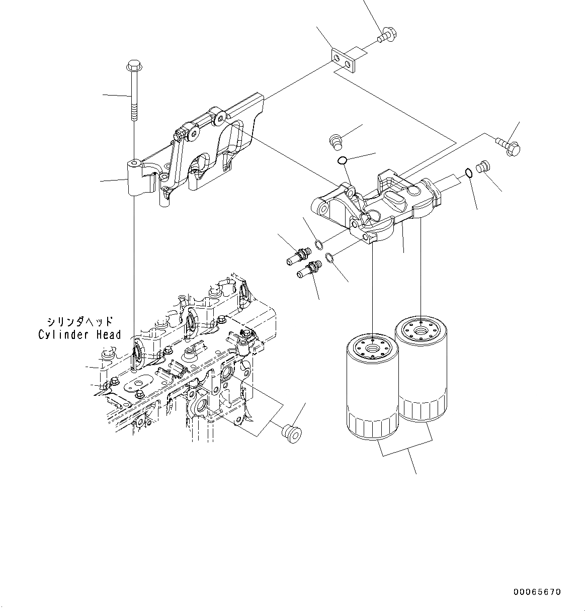
Запчасти топливн. фильтр. (№877-897) двигатели saa6d114e-3d s/n 26852735-up (for pc300-8/pc300lc-8/pc350-8/pc350lc-8) Komatsu



1 6745-71-6240 Support
2 6732-11-4150 Bolt
2 6735-21-1910 Plug Assembly
3 6735-21-1920 Plug
4 6735-21-1930 O-ring
5 6745-71-1130 Seal, Washer
6 6745-71-6130 Connector
7 6745-71-6180 Head
8 Cartridge, Fuel Filter
8 Cartridge, Fuel Filter
9 6732-22-3110 Bolt
10 6731-61-4250 Bolt
11 6745-71-6230 Brace
12 6732-11-1910 Plug
12
1
2
3
4
5
6
7
9
10
11
3
4
5
6
8
X
Рассчитать