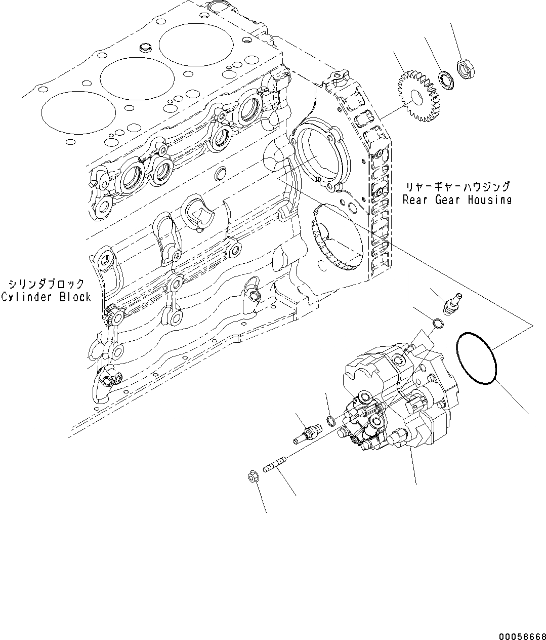
Запчасти топл. насос двигатели saa6d107e-1j s/n h00059 - h00256 (for wa320-6 highlift) Komatsu



|$1 6754-71-1012 Fuel Supply Pump Assembly
|$2 6754-72-1012 Pump Assembly
1 6754-71-1320 O-Ring
2 6754-71-1330 Connector
3 6754-71-5350 Washer
4 6754-72-1021 Pump
5 6754-71-1340 Nut
6 6754-71-1350 Washer, Spring
7 6754-71-3110 Gear
8 6754-71-3131 Stud
9 6732-71-3210 Nut
7
6
5
2
3
1
4
3
2
9
8
X
Рассчитать