zakaz@zapkomat.su
8 800 777-45-32
Расчитать заявку
Каталог
Типы
Гидравлика
Крепеж
Прокладки
Соединения
Кожухи
Электрика
Справочник
Запрос сотрудничества
Сервисным организациям
Контакты
Главная
Справочник
Запчасти части perдляmance, common rail двигатели saa6d107e-2b s/n 26600006-up (for pc290lc-10/pc290nlc-10) Komatsu
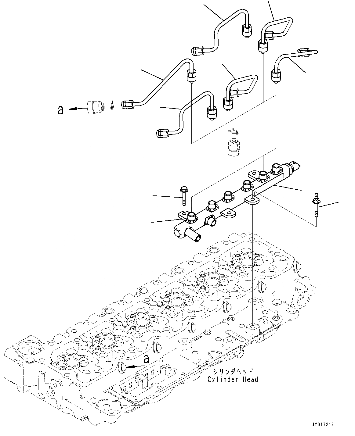
1
6755-71-1210
Rail Assembly
2
6733-11-4150
Bolt
3
6755-71-1220
Screw
4
6755-71-5210
Tube, NO 1
5
6755-71-5220
Tube, NO 2,3
6
6755-71-5230
Tube, NO 4,5
7
6755-71-5240
Tube, NO 6
8
6754-71-1991
Decal
1
2
3
4
5
6
7
8
5
6
X
Рассчитать
Ваше имя:
Телефон *:
E-mail:
Сообщение: Пришлите наличие и стоимость
Оформить заказ