zakaz@zapkomat.su
8 800 777-45-32
Расчитать заявку
Каталог
Типы
Гидравлика
Крепеж
Прокладки
Соединения
Кожухи
Электрика
Справочник
Запрос сотрудничества
Сервисным организациям
Контакты
Главная
Справочник
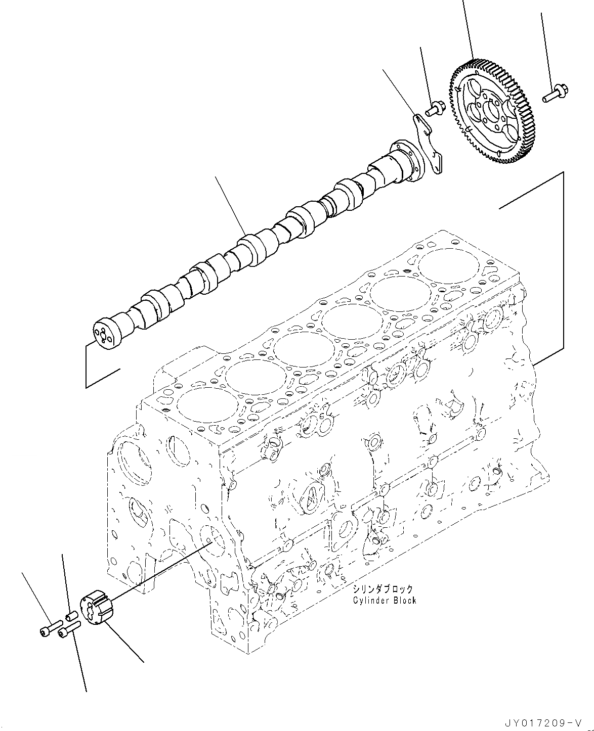
Запчасти части perдляmance, распредвал двигатели saa6d107e-2b s/n 26600006-up (for pc290lc-10/pc290nlc-10) Komatsu
|$0
6754-41-1100
Camshaft Assembly
|$1
6754-41-1170
Camshaft Assembly
1
6754-41-1110
Camshaft
2
6754-41-1120
Ring
3
6754-41-1130
Bolt
4
6754-41-1140
Ring
5
6754-41-1161
Support
6
6736-21-5310
Bolt
7
6754-41-1150
Gear
8
01435-00825
Bolt
1
4
3
3
2
7
8
5
6
X
Рассчитать
Ваше имя:
Телефон *:
E-mail:
Сообщение: Пришлите наличие и стоимость
Оформить заказ