zakaz@zapkomat.su
8 800 777-45-32
Расчитать заявку
Каталог
Типы
Гидравлика
Крепеж
Прокладки
Соединения
Кожухи
Электрика
Справочник
Запрос сотрудничества
Сервисным организациям
Контакты
Главная
Справочник
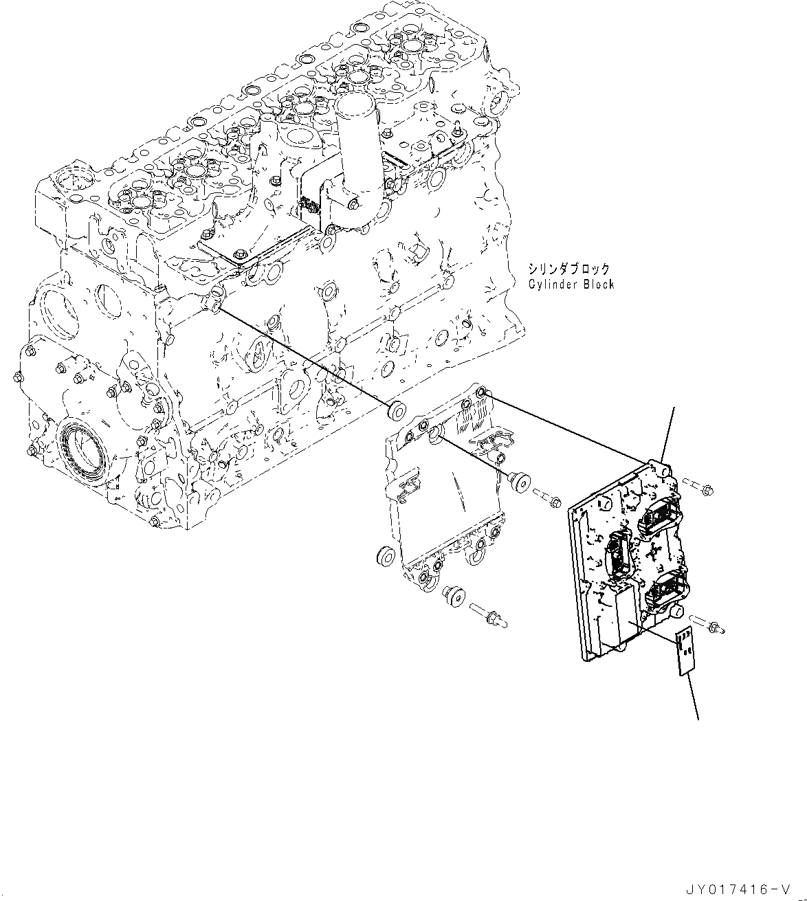
Запчасти управл-е двигателемler двигатели saa6d107e-2b s/n 26600006-up (for pc290lc-10/pc290nlc-10) Komatsu
|$0
600-487-1300
Controller Assembly
1
600-480-1000
Controller
2
600-480-3000
Plate
1
2
X
Рассчитать
Ваше имя:
Телефон *:
E-mail:
Сообщение: Пришлите наличие и стоимость
Оформить заказ