zakaz@zapkomat.su
8 800 777-45-32
Расчитать заявку
Каталог
Типы
Гидравлика
Крепеж
Прокладки
Соединения
Кожухи
Электрика
Справочник
Запрос сотрудничества
Сервисным организациям
Контакты
Главная
Справочник
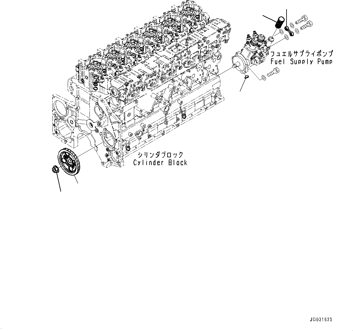
Запчасти топливн. насос, привод (№7-) двигатели saa6d140e-5f s/n 536267-up (for pc800-8e0/pc800lc-8e0) Komatsu
1
6261-71-3220
Gear, Pump Drive
2
04010-00519
Key, Woodruff
3
6219-71-3150
Nut
4
6217-71-1910
Cover, Priming Pump, Priming Pump
5
6217-71-5910
Tube, Cross
5
4
3
2
1
X
Рассчитать
Ваше имя:
Телефон *:
E-mail:
Сообщение: Пришлите наличие и стоимость
Оформить заказ