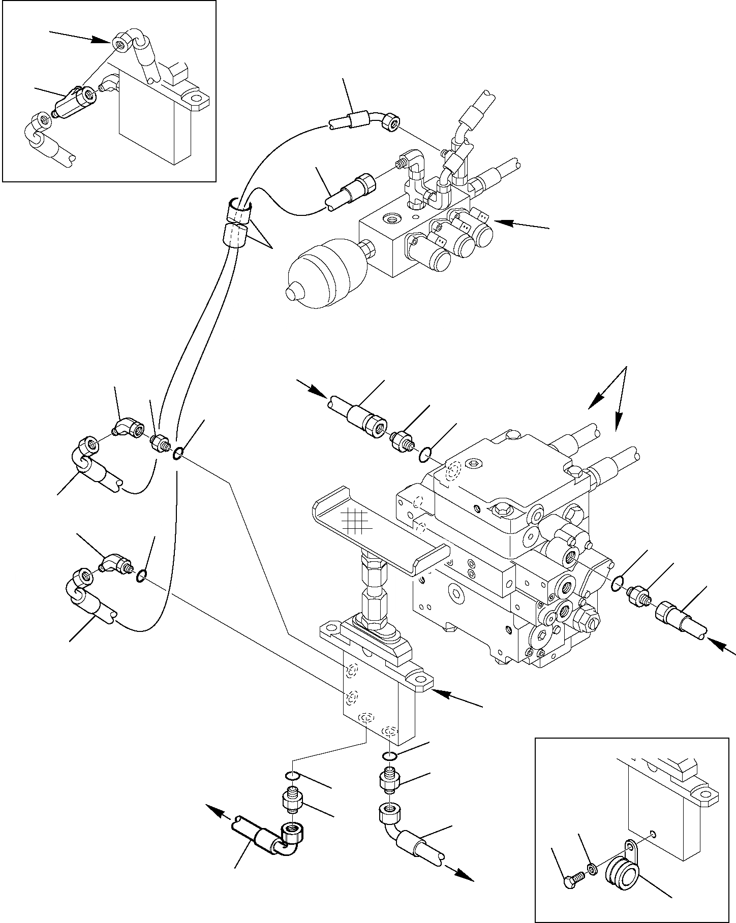
Запчасти гидролиния (навесное оборуд-е) (/) погрузчики с бортовым поворотом ck35-1 usa s/n f00003-up Komatsu



1 37A-62-10140 UNION
2 890001270 O-RING
3 37A-62-14261 UNION
4 855051111 O-RING
5 37A-970-1310 HOSE
6 3F3065056 UNION
7 855670023 O-RING
8 500356712 CONNECTOR
9 500355717 UNION
10 855051111 O-RING
11 37A-62-14141 HOSE
12 802170001 SPRING WASHER
13 852951209 PROTECTION
14 500355912 TEE
15 802660504 CLAMP
16 801015084 BOLT
11
14
11
13
5
8
6
1
7
2
11
10
9
2
1
5
11
4
3
4
3
12
5
16
5
15
a
a
b
b
A
B
C
D
X
Рассчитать