- Главная
- Справочник
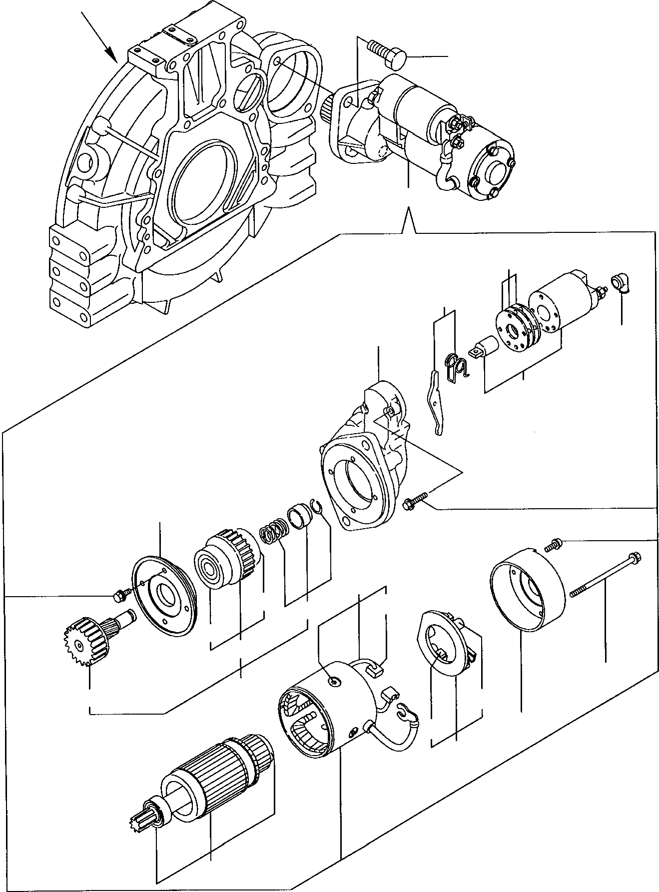
Запчасти стартер погрузчики с бортовым поворотом ck25-1 usa s/n f00003-up Komatsu
|
|
\0 |
37B-01-11300 |
ENGINE, ASSY.
|
|
|
\0 |
37B-01-11301 |
TURBO ENGINE, ASSY.
|
|
|
1 |
YM123900-77010 |
STARTER MOTOR
|
|
|
2 |
YM123900-77400 |
ROTOR,ASSY.
|
|
|
5 |
YM123900-77440 |
COIL ASSY.,FIELD
|
|
|
6 |
YM123900-77450 |
BRUSH (+)
|
|
|
7 |
YM123900-77460 |
COVER, REAR
|
|
|
8 |
YM123900-77480 |
BRUSH HOLDER, ASSY.
|
|
|
9 |
YM123900-77450 |
BRUSH (+)
|
|
|
10 |
YM121254-77590 |
SPRING
|
|
|
11 |
YM123900-77510 |
PINION, ASSY.
|
|
|
12 |
YM123900-77520 |
CLUTCH, ASSY.
|
|
|
13 |
YMX2240610100 |
BEARING
|
|
|
14 |
YM123900-77540 |
SHAFT
|
|
|
15 |
YM119131-77550 |
STOPPER KIT
|
|
|
19 |
YM129900-77591 |
SWITCH, MAGNETIC
|
|
|
20 |
YM123900-77610 |
RETAINER
|
|
|
21 |
YM129900-77620 |
LEVEL SET
|
|
|
22 |
YM123900-77640 |
BOLT
|
|
|
23 |
YM123900-77650 |
PAN ASSY., DUST
|
|
|
24 |
YM123900-77710 |
HOUSING
|
|
|
25 |
YM171008-77750 |
COVER
|
|
|
26 |
YM26116-120302 |
BOLT
|
26
1
23
21
24
25
19
20
5
13
6
15
13
12
22
11
14
10
7
9
8
2
A