Запчасти кабина rops, дверь и latch, прав. (№-) бульдозеры гусеничные d37px-22 s/n 60001-up Komatsu



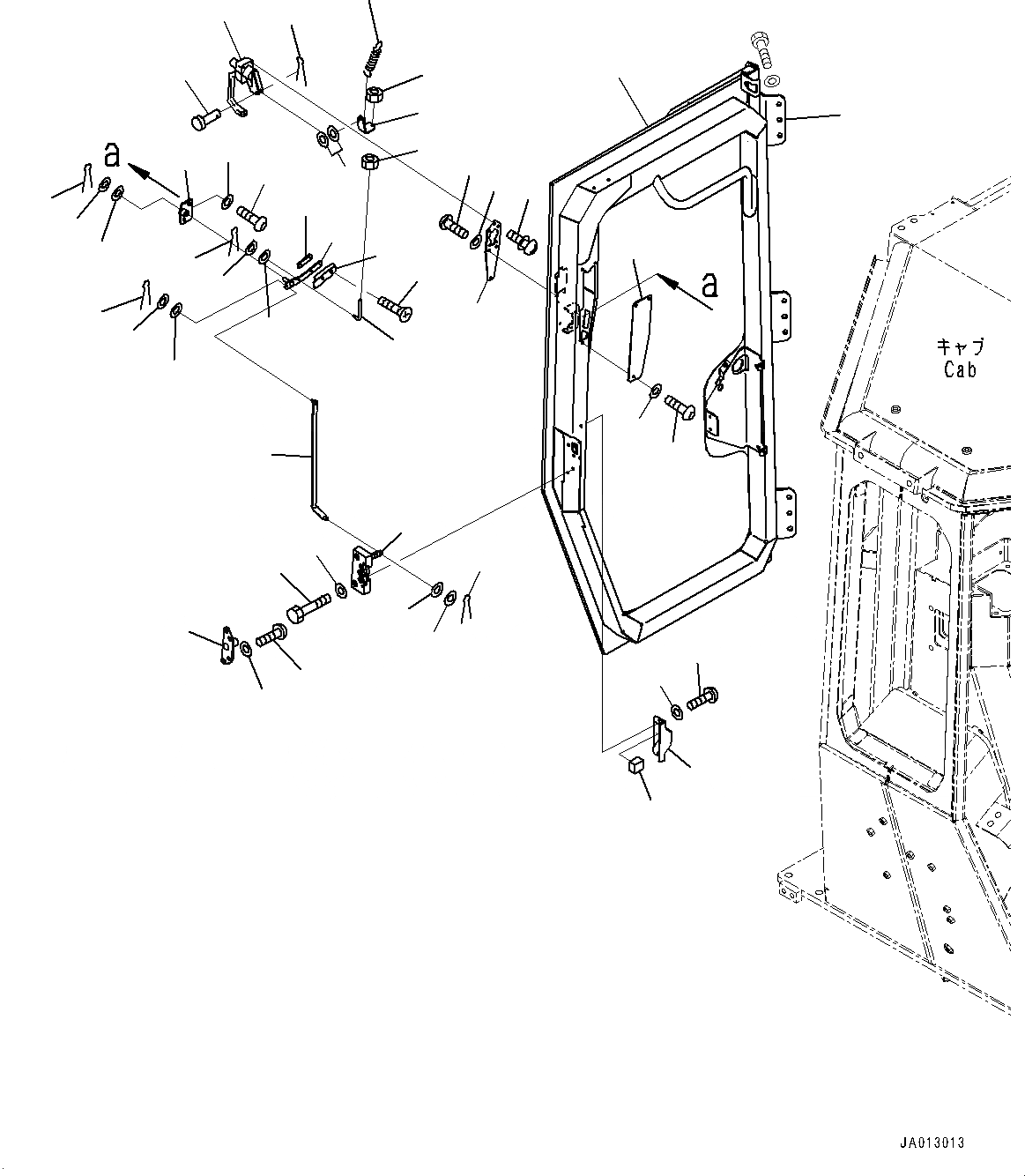
1 12Y-978-3920 Door Assembly
2 12Y-978-3F53 Hinge, Welded
3 198-Z11-3710 Handle Assembly
4 01023-10520 Screw
5 12Y-978-3210 Plate
6 01245-00620 Screw
7 01643-70623 Washer
8 04205-10622 Pin
9 01643-70623 Washer
10 04050-11612 Pin, Cotter
11 12Y-978-3281 Knob
12 12Y-978-3290 Plate
13 01023-20410 Screw
14 12Y-978-3231 Plate
15 12Y-978-3241 Rod
16 01580-10605 Nut
17 17A-Z11-3332 Spring
18 01643-70623 Washer
19 12Y-978-3310 Rubber
20 04050-11612 Pin, Cotter
21 12Y-978-3470 Plate
22 12Y-978-3271 Plate
23 01643-70823 Washer
24 12Y-978-3360 Rubber
25 04050-12012 Pin, Cotter
26 01245-00620 Screw
27 01643-70623 Washer
28 17A-979-3330 Plate
29 01643-70623 Washer
30 12Y-978-3310 Rubber
31 04050-11612 Pin, Cotter
32 01643-70623 Washer
33 12Y-978-3310 Rubber
34 04050-11612 Pin, Cotter
35 195-Z11-4510 Lock
36 01010-D0635 Bolt
37 01643-70623 Washer
38 12Y-978-3480 Striker
39 01245-00825 Screw
40 01643-70823 Washer
41 12Y-978-3340 Plate
42 01245-00620 Screw
43 01643-70623 Washer
44 12Y-978-3350 Bracket
45 01245-00620 Screw
46 01643-70623 Washer
47 12Y-978-3650 Sheet
3
4
5
6
7
8
9
10
11
12
13
14
15
16
17
19
21
22
23
25
26
27
28
18
34
33
32
35
36
37
38
39
40
41
42
43
44
45
46
47
16
31
20
29
1
2
24
30
X
Рассчитать