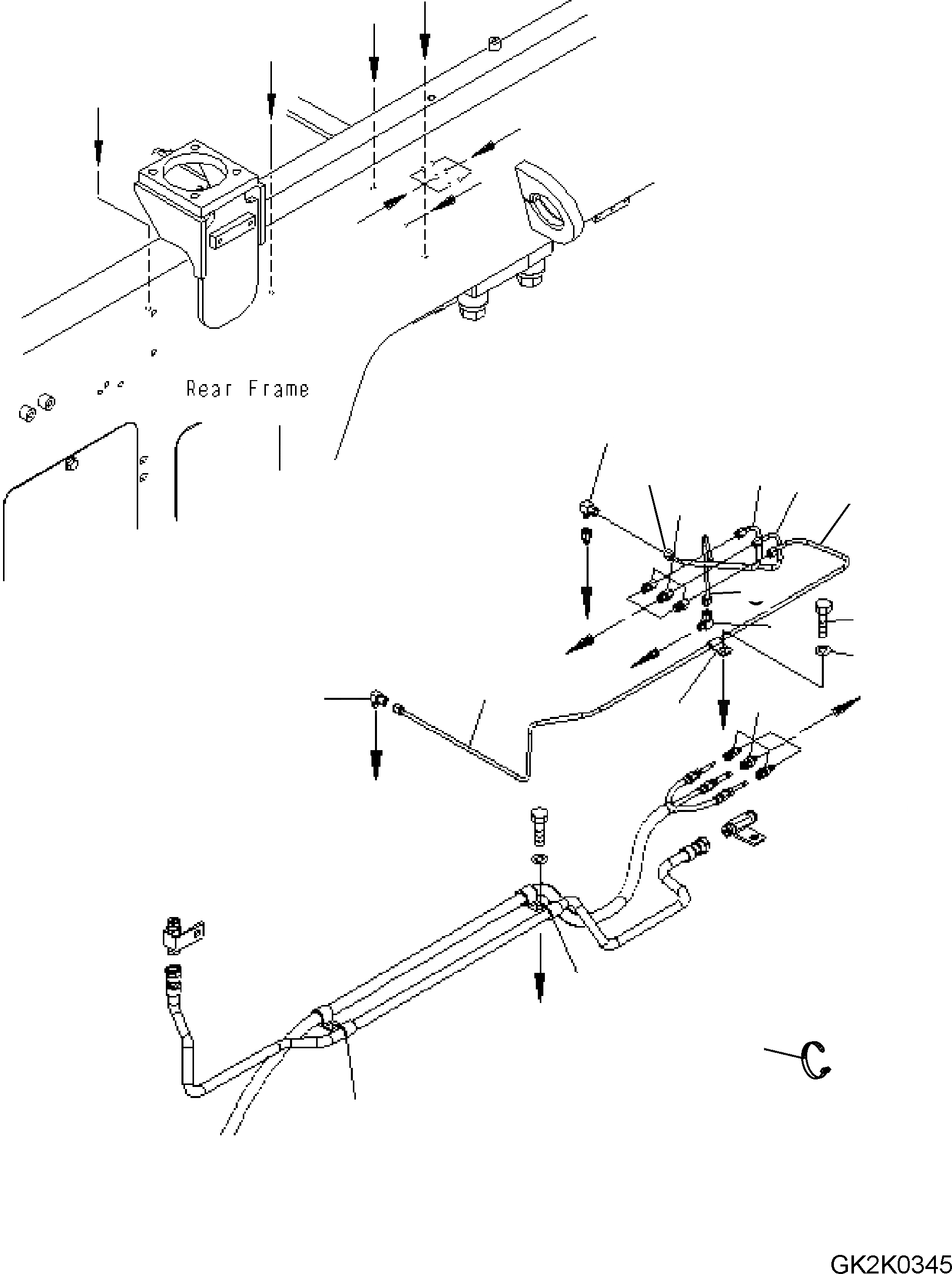
Запчасти central смазка система, задн. рама трубы погрузчики колесные wa320-6 s/n h62051 - up Komatsu



1 421-09-H3160 Male Stud Elbow
2 419-S95-H210 Lubrication Tube
3 04434-50510 Clip
4 01010-81016 Bolt
5 01643-31032 Washer
6 419-S95-H220 Lubrication Tube
7 419-S95-H231 Lubrication Tube
8 421-09-H3320 Male Stud Coupling
9 419-09-H2950 Connector
10 04434-52210 Clip
11 08034-40521 Band
10
10
1
7
1
2
8
2
6
7
4
5
1
9
3
6
11
a
b
c
d
e
f
g
a
b
c
d
g
f
e
X
Рассчитать