zakaz@zapkomat.su
8 800 777-45-32
Расчитать заявку
Каталог
Типы
Гидравлика
Крепеж
Прокладки
Соединения
Кожухи
Электрика
Справочник
Запрос сотрудничества
Сервисным организациям
Контакты
Главная
Справочник
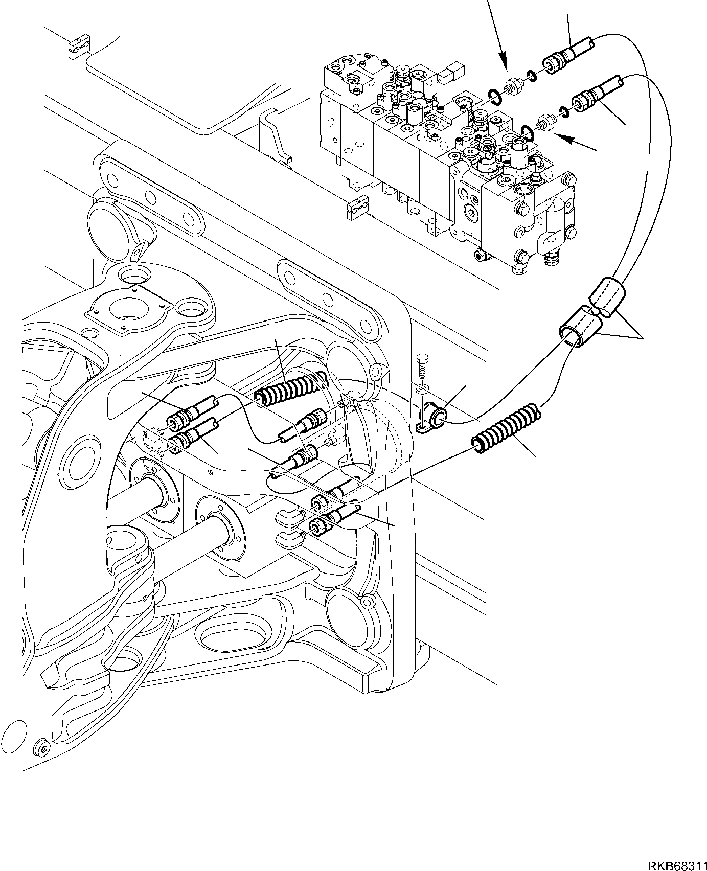
Запчасти гидролиния (цилиндр поворота стрелы линия) экскаваторы-погрузчики wb97r-5e0 s/n f80211 - up Komatsu
1
42N-62-13490
HOSE
2
42N-62-13990
HOSE
3
42N-62-13511
HOSE
4
42N-62-16470
CLIP
5
42N-62-17440
PROTECTION
6
42N-62-14451
PROTECTION
1
2
5
6
4
3
3
1
5
2
A
A
X
Рассчитать
Ваше имя:
Телефон *:
E-mail:
Сообщение: Пришлите наличие и стоимость
Оформить заказ