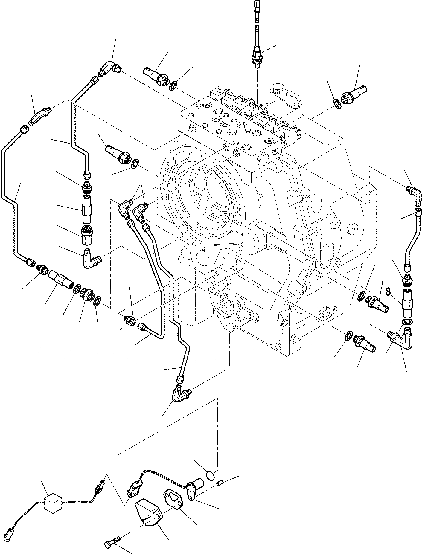
| \0 | 200120061 | GEAR SHAFT, ASSY | |
| 1 | CA0138643 | PRESSURE SENSOR | |
| 2 | CA0023287 | WASHER | |
| 3 | CA0138645 | OIL TEMP. SENSOR | |
| 4 | CA0138644 | PRESSURE SENSOR | |
| 5 | CA0134919 | ELBOW | |
| 6 | CA0140304 | PIPE | |
| 7 | CA0140334 | CONNECTION | |
| 8 | CA0139990 | ANTISHCK VALVE KIT | |
| 9 | CA0023281 | WASHER | |
| 10 | CA0140335 | ELBOW | |
| 11 | CA0138764 | PIPE FWD | |
| 12 | CA0138763 | PIPE | |
| 13 | CA0137595 | CONNECTION | |
| 14 | CA0117385 | PIN | |
| 15 | CA0134513 | SENSOR | |
| 16 | CA0133387 | SENSOR GASKET | |
| 17 | CA0138572 | SENSOR COVER | |
| 18 | CA0020780 | BOLT | |
| 19 | CA0028531 | O-RING | |
| 20 | CA0140336 | CONNECTION | |
| 21 | CA0140305 | PIPE | |
| 22 | CA0140303 | PIPE | |
| 23 | CA0140333 | CONNECTION | |
| 24 | CA0141399 | OPTICAL ISOLATOR |