zakaz@zapkomat.su
8 800 777-45-32
Расчитать заявку
Каталог
Типы
Гидравлика
Крепеж
Прокладки
Соединения
Кожухи
Электрика
Справочник
Запрос сотрудничества
Сервисным организациям
Контакты
Главная
Справочник
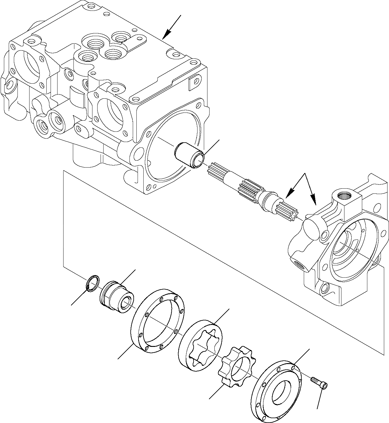
Запчасти гидр. насос. (стандартн.) (8/) погрузчики с бортовым поворотом sk1020-5 usa s/n 37cf00004-up Komatsu
\0
720-2T-00070
HYDRAULIC PUMP, ASSY.
1
720-2T-12130
JOINT
3
04065-02012
RING, SNAP
4
ROTOR
5
ROTOR
7
720-2M-15540
FLANGE
8
01252-60640
SCREW
1
2
5
7
8
4
6
3
A
B
X
Рассчитать
Ваше имя:
Телефон *:
E-mail:
Сообщение: Пришлите наличие и стоимость
Оформить заказ