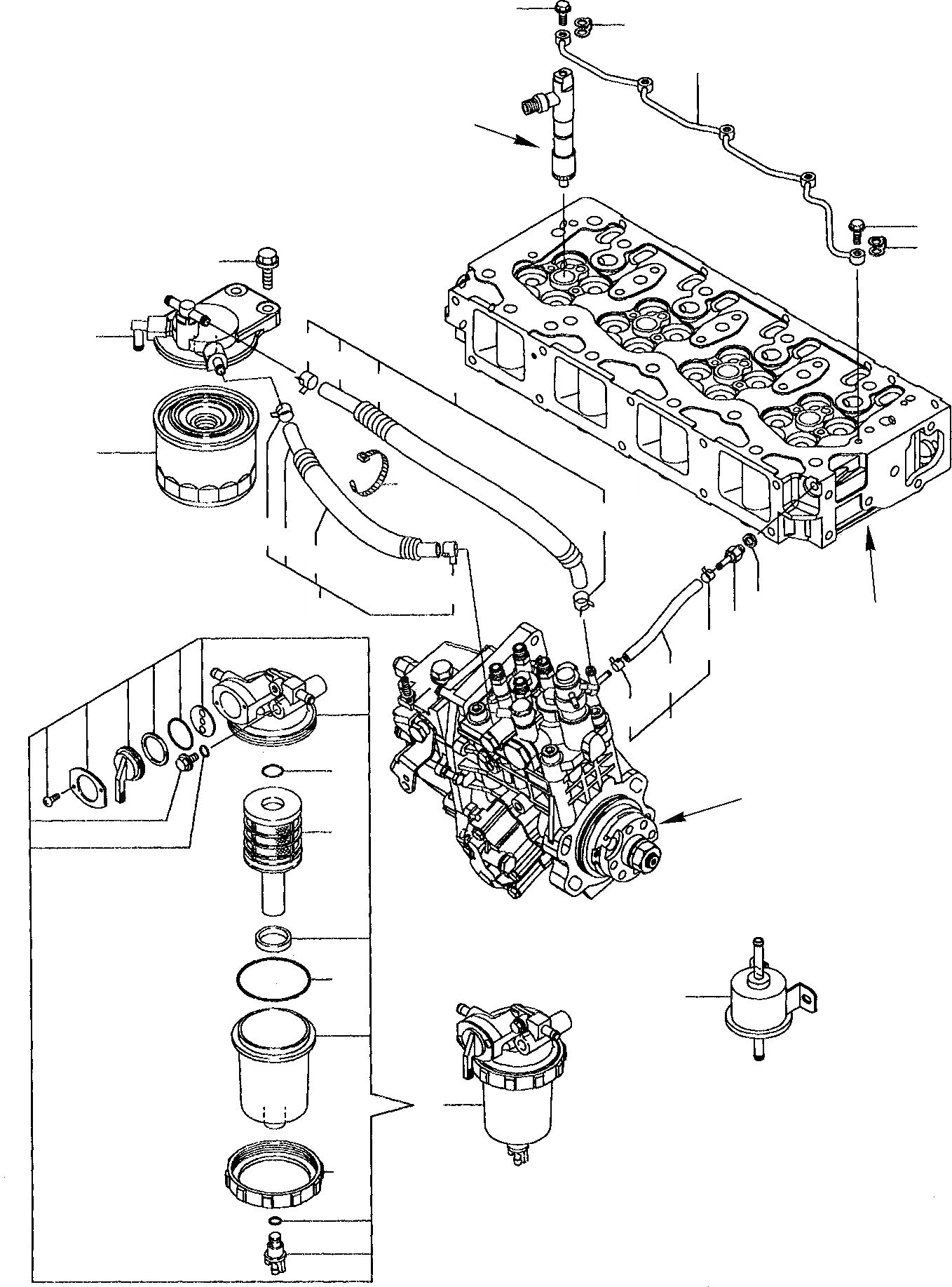
| \0 | 37C-01-11101 | ENGINE, ASSY. | |
| 1 | YM129004-55612 | COVER | |
| 2 | YM119802-55801 | FILTER | |
| 3 | YM26106-080302 | BOLT | |
| 4 | YM129457-59010 | PIPE, ASSY. | |
| 5 | YM124766-59050 | CLAMP | |
| 6 | YM129957-59120 | PROTECTION | |
| 7 | YM105025-59750 | PIPE | |
| 8 | YM129981-59010 | PIPE, ASSY. | |
| 9 | YM124766-59050 | CLAMP | |
| 10 | YM129950-59221 | PIPE | |
| 11 | YM129980-59510 | PIPE | |
| 12 | YM129907-59140 | PIPE, ASSY. | |
| 13 | YM123907-59540 | BOLT | |
| 14 | YM123907-59550 | GASKET | |
| 15 | YM129486-59551 | PIPE, ASSY. | |
| 16 | YM124722-59050 | COLLAR | |
| 17 | YM129486-59510 | PIPE | |
| 18 | YM123907-59560 | PIPE | |
| 19 | YM22190-080002 | GASKET | |
| 20 | YM129612-52100 | FUEL FEED PUMP, ASSY. | |
| 21 | YM119802-55700 | FILTER, ASSY. | |
| 22 | YM119802-55710 | CARTRIDGE | |
| 23 | YM129100-55690 | RING, NUT | |
| 24 | YM24321-000650 | O-RING | |
| 25 | YM24311-000160 | O-RING | |
| 26 | YM121750-59890 | COLLAR |