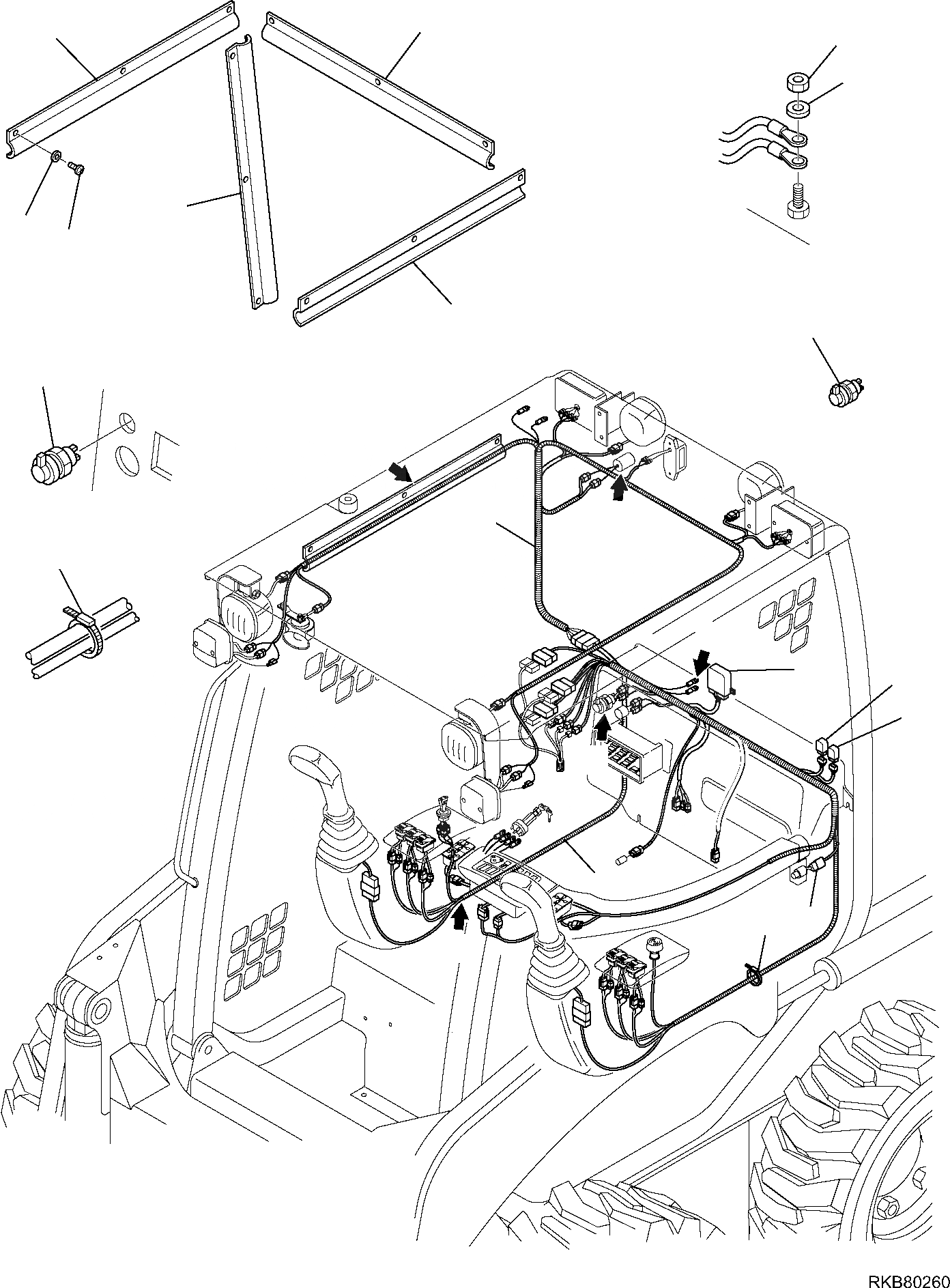
| 1 | 37A-06-11711 | WIRING HARNESS, CAB LINE | |
| 1 | 37A-06-11712 | WIRING HARNESS, CAB LINE | |
| 2 | 3A6-06-11250 | PROXIMITY SWITCH | |
| 3 | 08034-20519 | CLAMP | |
| 4 | 21D-09-24180 | NUT | |
| 5 | 01643-10823 | WASHER | |
| 6 | 37A-06-11471 | WIRING HARNESS, ROOF LINE, ROAD HOMOLOGATION | |
| 6 | 37B-06-11231 | WIRING HARNESS, ROOF LINE, ROAD HOMOLOGATION | |
| 7 | 37A-06-11521 | PROTECTION | |
| 8 | 37A-06-11510 | PROTECTION | |
| 9 | 37A-06-11530 | PROTECTION | |
| 10 | 37A-06-11550 | PROTECTION | |
| 11 | 21D-09-16110 | SCREW | |
| 12 | 21D-54-11460 | WASHER | |
| 13 | 395-06-12870 | RELAY | |
| 14 | 395-06-12870 | RELAY | |
| 15 | 885070046 | SAFETY CONTROL BOX | |
| 16 | 37A-06-11560 | ELECTRICAL LIGHTER, ASSEMBLY | |
| 17 | 21D-06-11220 | ELECTRICAL SOCKET | |
| 18 | 37A-06-12810 | CLAMP |