zakaz@zapkomat.su
8 800 777-45-32
Расчитать заявку
Каталог
Типы
Гидравлика
Крепеж
Прокладки
Соединения
Кожухи
Электрика
Справочник
Запрос сотрудничества
Сервисным организациям
Контакты
Главная
Справочник
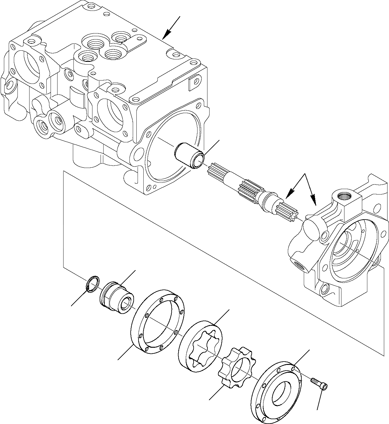
Запчасти гидр. насос. (стандартн.) (8/) погрузчики с бортовым поворотом sk1026-5 turbo usa s/n 37ctf50001-up Komatsu
\0
720-2T-00071
HYDRAULIC PUMP, ASSY.
1
JOINT
2
JOINT
3
RING, SNAP
\3
GEAR, ASSY.
4
ROTOR
5
ROTOR
6
OUTER FACE SEAL
7
FLANGE
8
SCREW
1
2
3
5
7
6
4
8
A
B
X
Рассчитать
Ваше имя:
Телефон *:
E-mail:
Сообщение: Пришлите наличие и стоимость
Оформить заказ