| 1 | 37A-06-11352 | WIRING HARNESS (STANDARD) | |
| 1 | 37A-06-11372 | WIRING HARNESS (OPTIONAL) | |
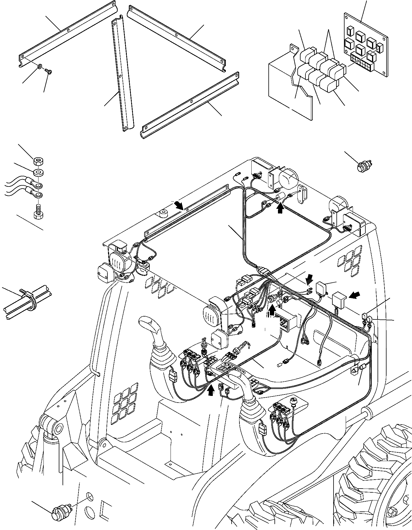
| 2 | 37A-06-11250 | WIRING HARNESS | |
| 3 | 332205705 | COLLAR | |
| 4 | 801880208 | NUT | |
| 5 | 802170001 | SPRING WASHER | |
| 6 | 37A-06-11380 | WIRING HARNESS (STANDARD) | |
| 6 | 37A-06-11471 | WIRING HARNESS (OPTIONAL) | |
| 7 | 37A-06-11520 | PROTECTION, R.H. | |
| 8 | 37A-06-11510 | PROTECTION, L.H. | |
| 9 | 37A-06-11530 | PROTECTION, VERTICAL | |
| 10 | 37A-06-11550 | SUPPORT | |
| 11 | 801350065 | SCREW | |
| 12 | 816212687 | WASHER | |
| 13 | 885071043 | RELAY (FLOAT) | |
| 14 | 885071043 | RELAY (PARKING BRAKE) | |
| 15 | 885070043 | BOX | |
| 16 | 885070040 | RELAY BOX | |
| 17 | 885071043 | RELAY (STOP LIGHT) | |
| 18 | 885071044 | RELAY | |
| 19 | 885071043 | RELAY (HIGH FLOW MOMENTARY) | |
| 20 | 885151012 | BLINKER | |
| 21 | 37A-06-11430 | RELђ (HIGH FLOW DETENT) | |
| 22 | 37A-06-11560 | ELECTRICAL SOCKET | |
| 23 | 885411196 | ELECTRICAL SOCKET |