zakaz@zapkomat.su
8 800 777-45-32
Расчитать заявку
Каталог
Типы
Гидравлика
Крепеж
Прокладки
Соединения
Кожухи
Электрика
Справочник
Запрос сотрудничества
Сервисным организациям
Контакты
Главная
Справочник
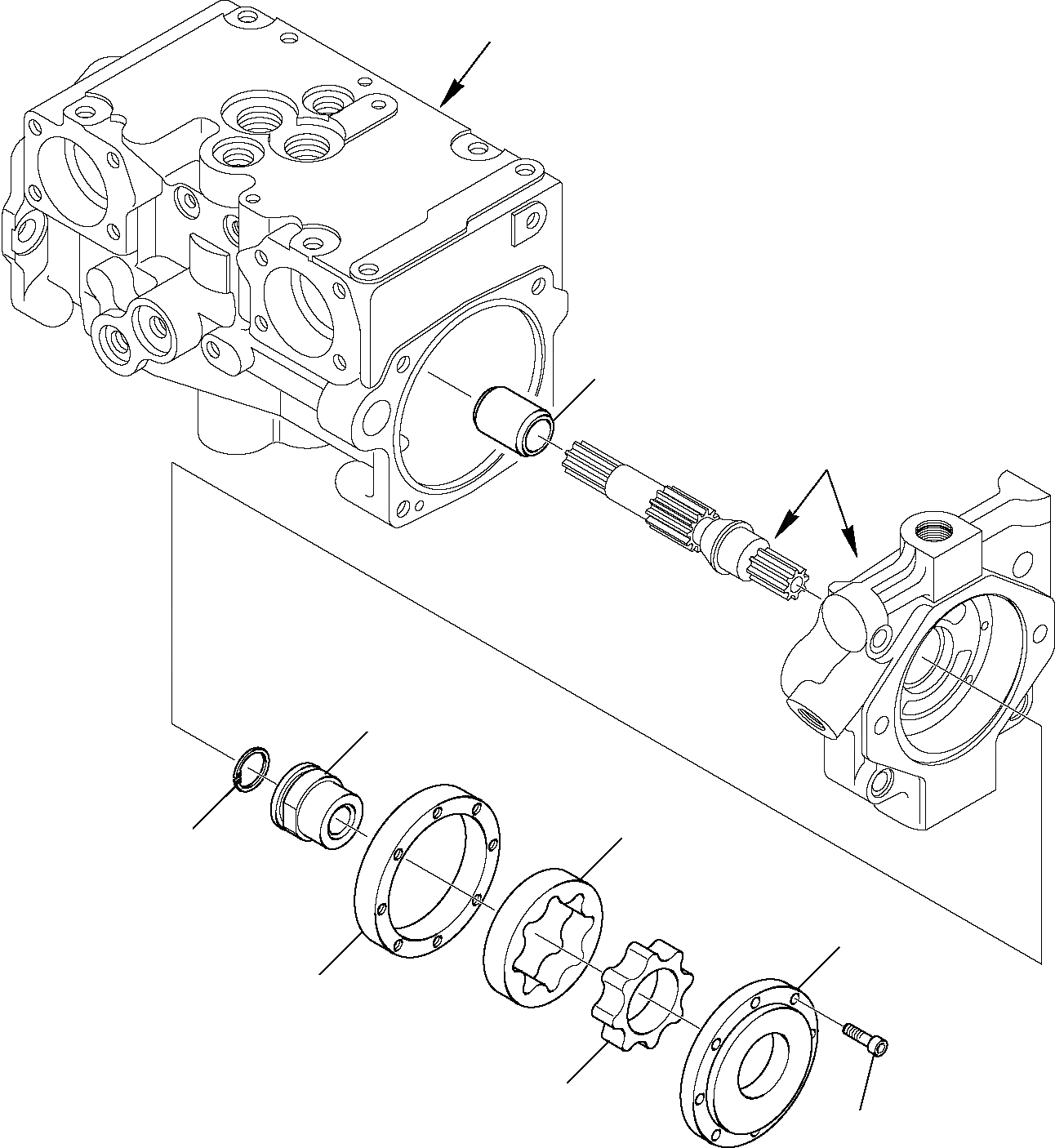
Запчасти гидр. насос. (выс.-поток) (8/) погрузчики с бортовым поворотом sk818-5 s/n 37bf50003-up Komatsu
\0
720-2T-00015
HYDRAULIC PUMP, ASSY. (HIGH-FLOW)
1
JOINT
2
JOINT
3
RING, SNAP
\3
GEAR, ASSY.
4
ROTOR
5
ROTOR
6
OUTER FACE SEAL
7
FLANGE
8
SCREW
1
2
3
6
5
4
7
8
A
B
X
Рассчитать
Ваше имя:
Телефон *:
E-mail:
Сообщение: Пришлите наличие и стоимость
Оформить заказ