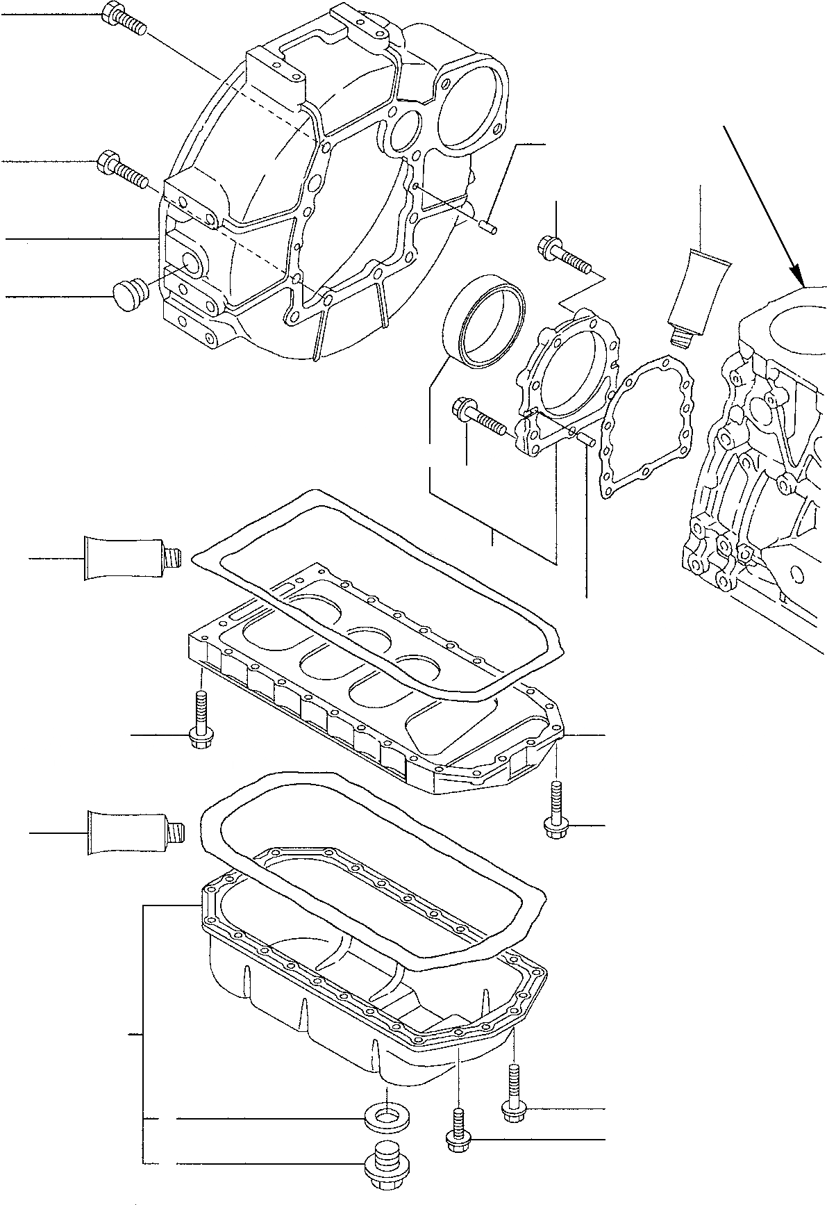
| \0 | 37B-01-11101 | ENGINE, ASSY. | |
| 1 | YM129100-01580 | PEG | |
| 2 | YM129612-01600 | HOUSING, FLYWHEEL | |
| 3 | YM119620-01750 | PLUG | |
| 4 | YM26206-100252 | BOLT PLATED | |
| 5 | YM26206-100302 | SCREW | |
| 6 | YM129436-01780 | OIL SUMP | |
| 7 | YM119640-01640 | PLUG | |
| 9 | YM22190-220002 | GASKET | |
| 10 | YM129400-01730 | SPACER | |
| 11 | YM26106-080162 | BOLT | |
| 12 | YM26106-080252 | SCREW | |
| 13 | YM26106-080452 | BOLT | |
| 14 | YM129100-01580 | PEG | |
| 15 | YM129100-01640 | OIL SEAL CASE, ASSY. | |
| 17 | YM129795-01780 | GASKET | |
| 18 | YM129486-01670 | SCREW | |
| 19 | YM26106-080352 | BOLT | |
| 20 | YM977770-01212 | GASKET, LIQUID |