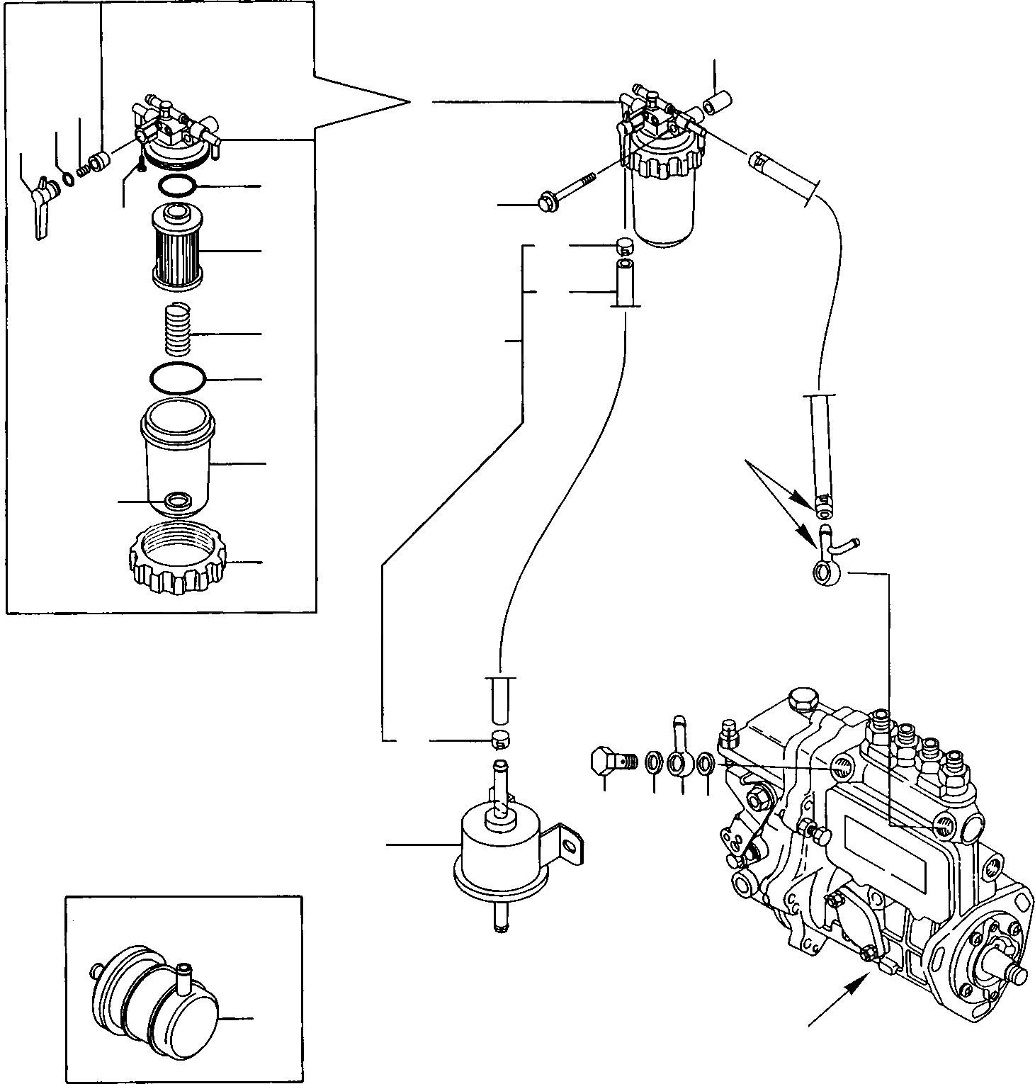
| \0 | 37B-01-11201 | ENGINE, ASSY. | |
| 1 | YM129612-52100 | FUEL FEED PUMP, ASSY. | |
| 2 | YM129436-55630 | SCREW | |
| 3 | YM119820-77340 | SPACER | |
| 4 | YM129612-55620 | FILTER, ASSY. | |
| 5 | YM104200-55330 | SPRING | |
| 6 | YM105900-55330 | SPRING | |
| 7 | YM129612-55510 | CUP, STRAINER | |
| 8 | YM129100-55650 | CARTRIDGE | |
| 9 | YM129100-55670 | LEVER | |
| 10 | YM129100-55690 | RING, NUT | |
| 11 | YM121257-55731 | FLOAT | |
| 12 | YM104200-55750 | SCREW | |
| 13 | YM24311-000160 | O-RING | |
| 14 | YM24311-240100 | O-RING | |
| 15 | YM24321-000650 | O-RING | |
| 16 | YM103854-39140 | SCREW | |
| 17 | YM101304-59020 | UNION | |
| 18 | YM129210-59050 | PIPE, ASSY. | |
| 19 | YM124766-59050 | CLAMP | |
| 20 | YM105312-59510 | PIPE | |
| 21 | YM22190-120002 | GASKET | |
| 22 | YM129052-55630 | STRAINER, FUEL OIL |