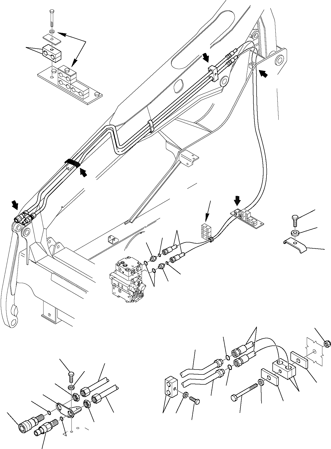
Запчасти гидролиния (навесное оборуд-е) (выс.-поток super) погрузчики с бортовым поворотом sk820-5 turbo usa version s/n 37btf50112-up Komatsu



1 37A-62-10020 UNION
2 890001254 O-RING
3 855051014 O-RING
4 37B-62-15210 HOSE
5 37B-970-1752 PIPE
6 855051014 O-RING
7 37B-970-1742 PIPE
8 855051014 O-RING
9 37B-70-17330 CLAMP
10 801015108 BOLT
11 802170001 SPRING WASHER
12 818000023 CLAMP
13 801015739 BOLT
14 37B-70-17340 PLATE
15 818000024 PLATE
16 801880208 NUT
17 818000025 CLAMP
18 37B-970-1780 CLAMP
19 801015086 BOLT
20 200362282 COUPLING, ASSY.
21 855051016 O-RING
22 200362286 COUPLING, ASSY.
23 855051016 O-RING
24 37A-970-1441 SUPPORT
25 802170002 WASHER
23
a
b
c
c
d
d
a
b
c
A
B
17
19
4
11
3
1
18
3
1
2
4
16
6
5
10
5
25
20
15
24
8
12
21
7
14
11
20
13
9
11
7
10
22
22
X
Рассчитать