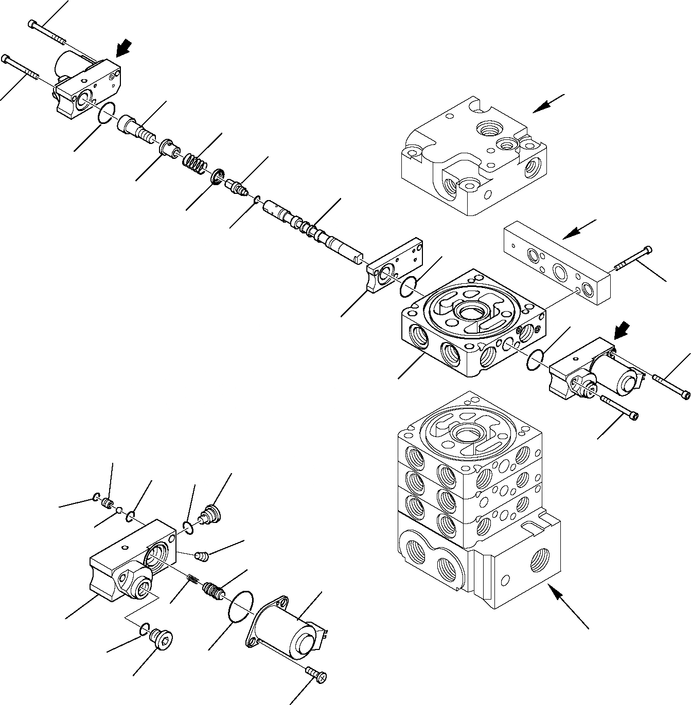
| \0 | 723-14-12500 | CONTROL VALVE, ASSY. (SUPER HIGH-FLOW VERSION) | |
| \0 | 723-11-01061 | VALVE, ASSY. | |
| 1 | BODY | ||
| 2 | SPOOL | ||
| 3 | PLUG | ||
| 4 | 07002-10823 | O-RING | |
| 5 | 723-11-17330 | SEAT, NOZZLE SPRING | |
| 6 | 723-11-17351 | SEAT, NOZZLE SPRING | |
| 7 | 723-11-27630 | PLATE | |
| 8 | 723-11-17360 | SCREW | |
| 9 | 723-11-28690 | SPRING | |
| \9 | 723-11-01071 | CASE, ASSY. | |
| 10 | BODY | ||
| 11 | 708-8E-16160 | PLUG | |
| 12 | 702-21-54190 | FILTER | |
| 13 | 07002-11023 | O-RING | |
| 14 | SPOOL | ||
| 15 | 702-21-56220 | SPRING | |
| 16 | 702-21-56261 | COIL | |
| 17 | 700-80-61260 | O-RING | |
| 18 | BALL | ||
| 19 | SEAT | ||
| 20 | O-RING | ||
| 21 | 702-21-54290 | O-RING | |
| 22 | 702-21-54180 | SCREW | |
| 23 | PLUG | ||
| 24 | 01252-60650 | SCREW | |
| 25 | 01252-60640 | SCREW | |
| 26 | 01252-60630 | SCREW | |
| 27 | 01252-60620 | SCREW | |
| 28 | 722-12-19120 | O-RING |