zakaz@zapkomat.su
8 800 777-45-32
Расчитать заявку
Каталог
Типы
Гидравлика
Крепеж
Прокладки
Соединения
Кожухи
Электрика
Справочник
Запрос сотрудничества
Сервисным организациям
Контакты
Главная
Справочник
Запчасти anti-drop клапан, стрела и рукоять, шланги, для 2-секционн. стрелы экскаваторы pc240nlc-10 s/n k60001-up Komatsu
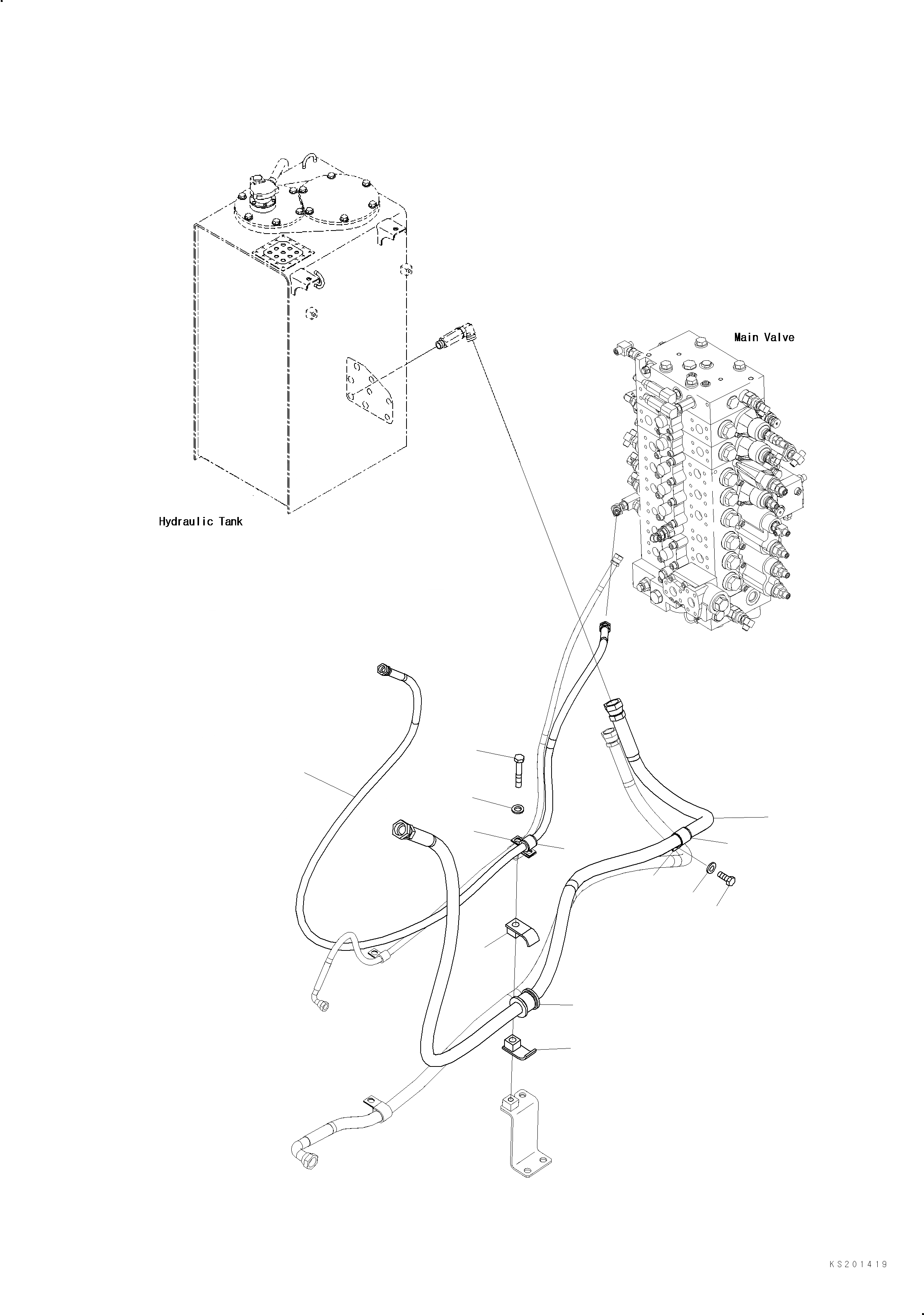
1
206-62-K3720
Hose
2
206-62-K3730
Hose
3
07095-00627
Cushion
4
07094-10620
Clamp
5
07095-20314
Cushion
6
04434-52112
Clip
7
01010-81275
Bolt
8
01643-31232
Washer
9
07095-20318
Cushion
10
01010-81230
Bolt
11
01643-31232
Washer
12
04434-52512
Clip
7
8
6
4
2
3
4
5
12
11
10
9
1
X
Рассчитать
Ваше имя:
Телефон *:
E-mail:
Сообщение: Пришлите наличие и стоимость
Оформить заказ