zakaz@zapkomat.su
8 800 777-45-32
Расчитать заявку
Каталог
Типы
Гидравлика
Крепеж
Прокладки
Соединения
Кожухи
Электрика
Справочник
Запрос сотрудничества
Сервисным организациям
Контакты
Главная
Справочник
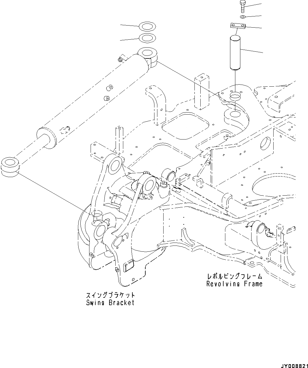
Запчасти цилиндр поворота стрелы, (/) (№-) экскаваторы pc45mr-3 s/n 5001-up (north america spec.) Komatsu
1
22M-70-22880
Pin
2
04082-00212
Lock
3
01010-81230
Bolt
4
01643-31232
Washer
5
20T-70-81730
Spacer, T=1.0mm
6
20T-70-81760
Spacer, T=0.5mm
6
5
1
2
4
3
X
Рассчитать
Ваше имя:
Телефон *:
E-mail:
Сообщение: Пришлите наличие и стоимость
Оформить заказ