zakaz@zapkomat.su
8 800 777-45-32
Расчитать заявку
Каталог
Типы
Гидравлика
Крепеж
Прокладки
Соединения
Кожухи
Электрика
Справочник
Запрос сотрудничества
Сервисным организациям
Контакты
Главная
Справочник
Запчасти ls трубы (№8-) экскаваторы pc130-8 s/n 80001-up Komatsu
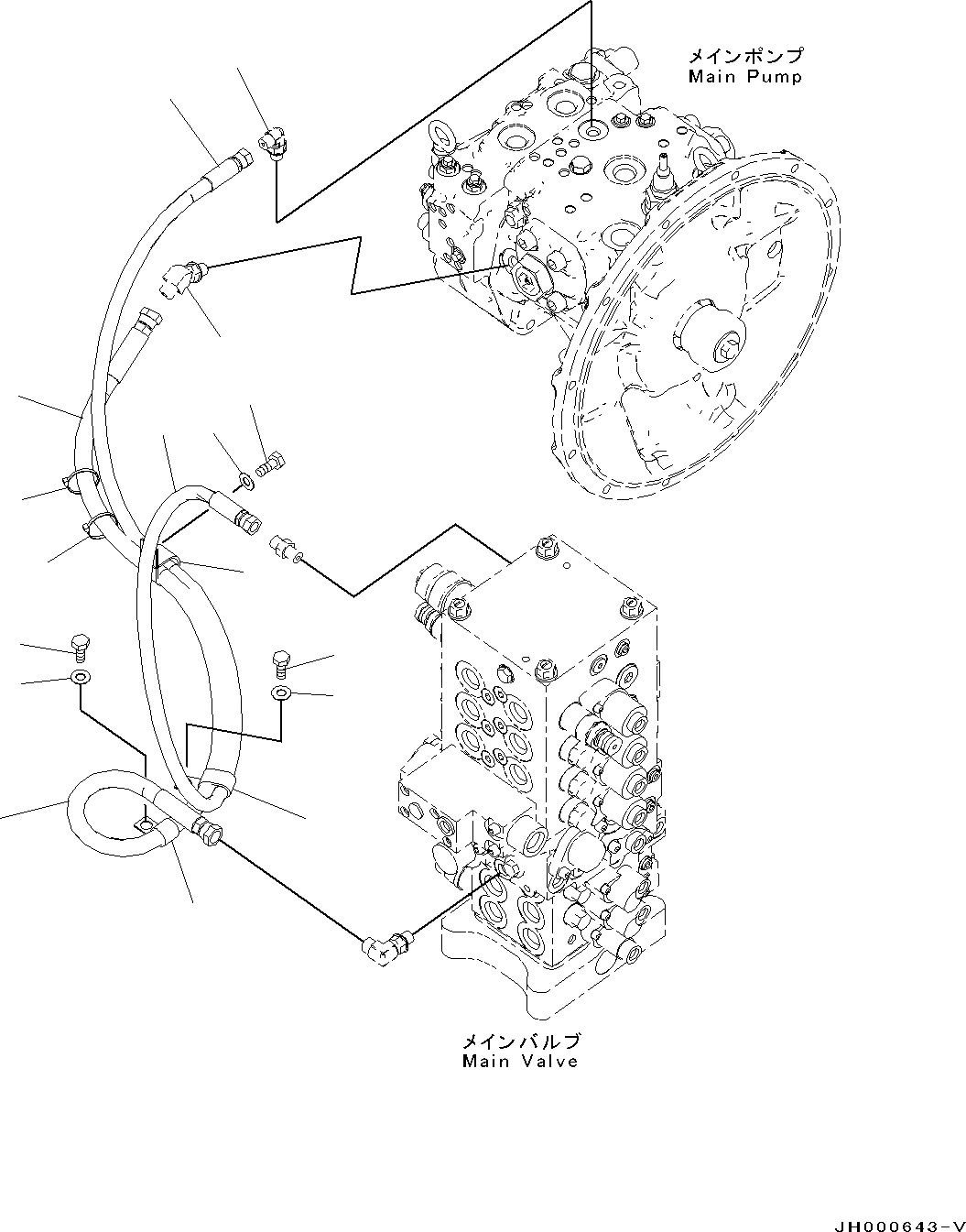
1
02756-00216
Hose, Face Seal Type
2
203-62-12210
Hose
3
04435-51612
Clip
4
01010-81220
Bolt
5
01643-31232
Washer
6
04434-51712
Clip
7
04434-53212
Clip
8
08034-20519
Band
9
02782-10210
Elbow
|$9
02782-10210
Elbow
10
11Y-62-12510
Elbow
|$11
11Y-62-12510
Elbow
9
10
7
6
4
4
5
5
4
3
5
2
2
1
1
8
8
X
Рассчитать
Ваше имя:
Телефон *:
E-mail:
Сообщение: Пришлите наличие и стоимость
Оформить заказ