zakaz@zapkomat.su
8 800 777-45-32
Расчитать заявку
Каталог
Типы
Гидравлика
Крепеж
Прокладки
Соединения
Кожухи
Электрика
Справочник
Запрос сотрудничества
Сервисным организациям
Контакты
Главная
Справочник
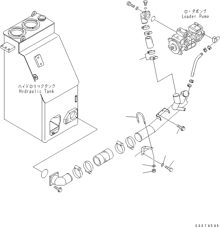
Запчасти гидролиния (всасыв. линия)(№7-) погрузчики колесные wa700-3 s/n 50001-up (ka spec.) Komatsu
1
01435-01225
BOLT
2
07289-00105
CLAMP
3
428-62-14111
BRACKET
4
01643-31232
WASHER
5
01010-81230
BOLT
6
428-62-14640
CLIP
7
01597-01211
NUT
8
01643-31232
WASHER
1
2
3
4
5
6
7
8
X
Рассчитать
Ваше имя:
Телефон *:
E-mail:
Сообщение: Пришлите наличие и стоимость
Оформить заказ