zakaz@zapkomat.su
8 800 777-45-32
Расчитать заявку
Каталог
Типы
Гидравлика
Крепеж
Прокладки
Соединения
Кожухи
Электрика
Справочник
Запрос сотрудничества
Сервисным организациям
Контакты
Главная
Справочник
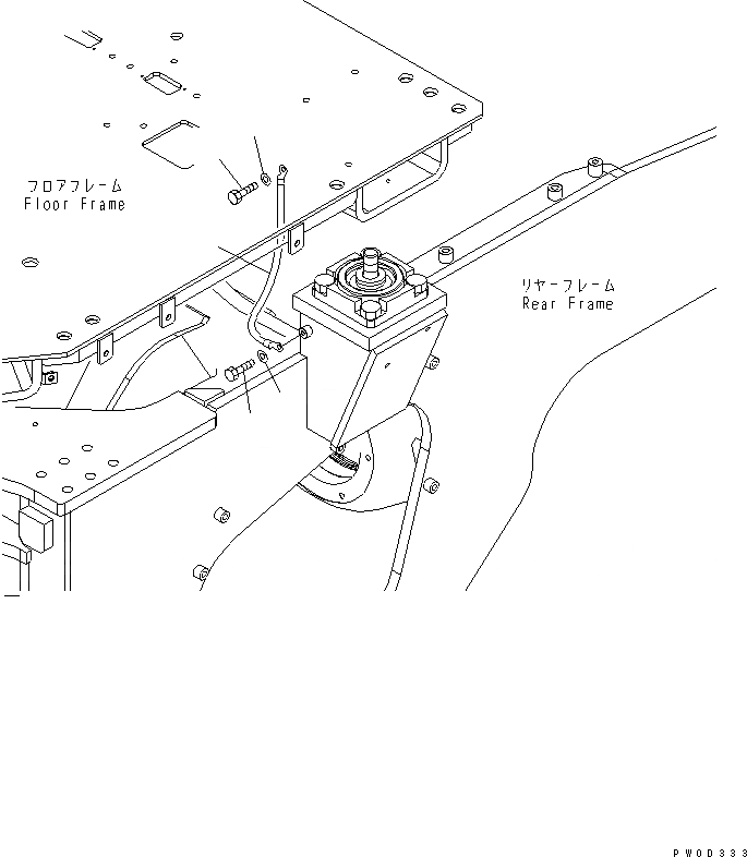
Запчасти основн. конструкция (earth кабель) погрузчики колесные wa400-5 s/n 70001-up Komatsu
1
08028-12025
CABLE
2
01010-81016
BOLT
3
01643-31032
WASHER
1
2
2
3
3
X
Рассчитать
Ваше имя:
Телефон *:
E-mail:
Сообщение: Пришлите наличие и стоимость
Оформить заказ