- Главная
- Справочник
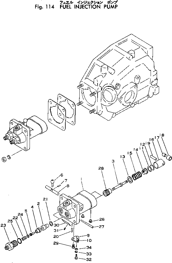
Запчасти топл. насос погрузчики с бортовым поворотом sk04-1 s/n 1001-up Komatsu
|
|
|1 |
YM705225-51700 |
INJECTION PUMP A.
|
|
|
1 |
|
BODY,FUEL INJECTION PUMP
|
|
|
|2 |
YM105225-51100 |
PLUNGER ASS'Y
|
|
|
2 |
|
BARREL
|
|
|
3 |
|
PLUNGER
|
|
|
|4 |
YM124060-51300 |
VALVE ASS'Y
|
|
|
4 |
|
SEAT,DELIVERY VALVE
|
|
|
5 |
|
VALVE,DELIVERY
|
|
|
|6 |
YM124950-51500 |
RACK ASS'Y
|
|
|
6 |
|
PIN,RACK
|
|
|
7 |
|
PIN,SET
|
|
|
8 |
|
RACK
|
|
|
|9 |
YM124950-51640 |
ADJUSTING PLATE A.
|
|
|
9 |
|
ADJUSTING PLATE A.
|
|
|
10 |
|
PIN
|
|
|
|11 |
YM174307-51700 |
SHIM ASS'Y
|
|
|
11 |
|
SHIM¤ 0.1MM
|
|
|
12 |
|
SHIM¤ 0.2MM
|
|
|
13 |
YM174307-51170 |
SEAT,SPRING
|
|
|
|13 |
YM124950-51170 |
WASHER,SPRING
|
|
|
14 |
YM174307-51181 |
SEAT,SPRING
|
|
|
15 |
YM124950-51190 |
SPRING,PLUNGER
|
|
|
|16 |
YM724550-51520 |
PLUNGER GUIDE A.
|
|
|
16 |
|
GUIDE,PLUNGER
|
|
|
|17 |
YM711100-51540 |
TAPPET ROLLER A.
|
|
|
17 |
|
ROLLER,INNER
|
|
|
18 |
|
ROLLER,OUTER
|
|
|
19 |
|
PIN
|
|
|
20 |
YM103854-51251 |
PIN
|
|
|
21 |
YM124950-51270 |
PACKING,BARREL
|
|
|
22 |
YM124550-51320 |
SPRING,DELIVERY VALVE
|
|
|
23 |
YM124550-51341 |
HOLDER
|
|
|
24 |
YM124550-51350 |
GASKET
|
|
|
25 |
YM124550-51370 |
O-RING
|
|
|
26 |
YM124950-51450 |
PIECE,GUIDE
|
|
|
27 |
YM174307-51460 |
PIN
|
|
|
28 |
YM124950-51510 |
PINION
|
|
|
29 |
YM103854-51660 |
SCREW,ADJUSTING
|
|
|
30 |
YM105225-51920 |
PLATE
|
|
|
31 |
YM124220-51890 |
RIVET
|
|
|
32 |
YM26587-050102 |
SCREW
|
|
|
33 |
YM22217-050000 |
WASHER,SPRING
|
|
|
34 |
YM22131-050000 |
WASHER
|