zakaz@zapkomat.su
8 800 777-45-32
Расчитать заявку
Каталог
Типы
Гидравлика
Крепеж
Прокладки
Соединения
Кожухи
Электрика
Справочник
Запрос сотрудничества
Сервисным организациям
Контакты
Главная
Справочник
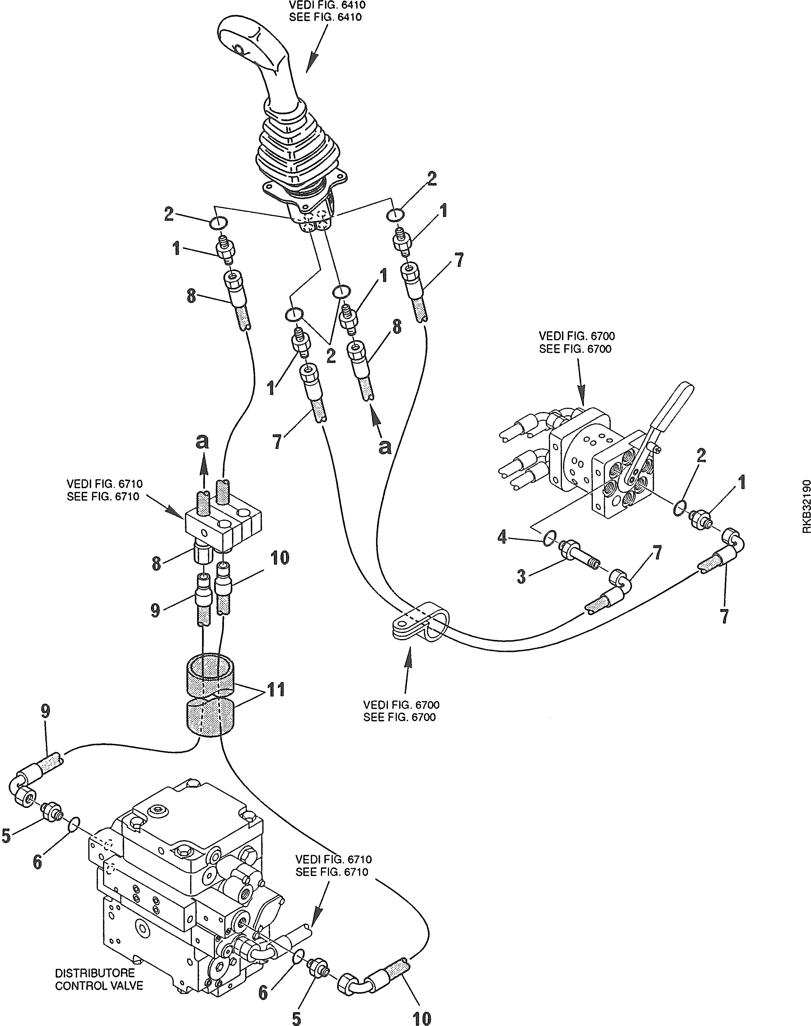
Запчасти гидролиния (pattern change) (/) погрузчики с бортовым поворотом sk815-5 s/n bf00006-up Komatsu
1
37A-62-14261
UNION
2
855051111
O-RING
3
37A-62-14650
UNION
4
855051111
O-RING
5
37A-62-10010
UNION
6
890001271
O-RING
7
37A-62-14630
HOSE
8
37A-62-14410
HOSE
9
37A-62-14331
HOSE
10
37A-62-14342
HOSE
11
37A-62-14470
PROTECTION
X
Рассчитать
Ваше имя:
Телефон *:
E-mail:
Сообщение: Пришлите наличие и стоимость
Оформить заказ