zakaz@zapkomat.su
8 800 777-45-32
Расчитать заявку
Каталог
Типы
Гидравлика
Крепеж
Прокладки
Соединения
Кожухи
Электрика
Справочник
Запрос сотрудничества
Сервисным организациям
Контакты
Главная
Справочник
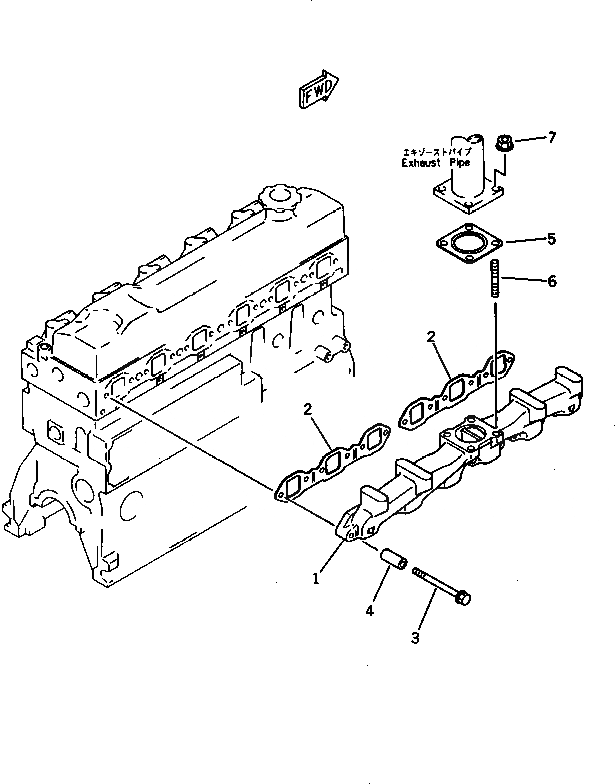
Запчасти 449 7 генераторы дизельные eg60bs-1 s/n 4501-up Komatsu
1
6206-11-5120
EXHAUST MANIFOL
2
6206-11-5811
GASKET
3
01435-01090
BOLT
4
6134-11-5120
SPACER
5
6130-12-5580
GASKET
6
01140-61025
STUD
7
6142-12-5850
NUT
X
Рассчитать
Ваше имя:
Телефон *:
E-mail:
Сообщение: Пришлите наличие и стоимость
Оформить заказ