zakaz@zapkomat.su
8 800 777-45-32
Расчитать заявку
Каталог
Типы
Гидравлика
Крепеж
Прокладки
Соединения
Кожухи
Электрика
Справочник
Запрос сотрудничества
Сервисным организациям
Контакты
Главная
Справочник
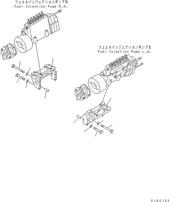
Запчасти топл. насос корпус (для электрич. регулятора)(№7-) двигатели sa12v140-1s-wd s/n 11640-up Komatsu
1
6215-71-6121
BRACKET
2
04020-01024
PIN,DOWEL
3
01010-81095
BOLT
4
01010-81070
BOLT
5
01643-31032
WASHER
1
1
2
2
3
3
4
4
5
5
5
5
X
Рассчитать
Ваше имя:
Телефон *:
E-mail:
Сообщение: Пришлите наличие и стоимость
Оформить заказ