- Главная
- Справочник
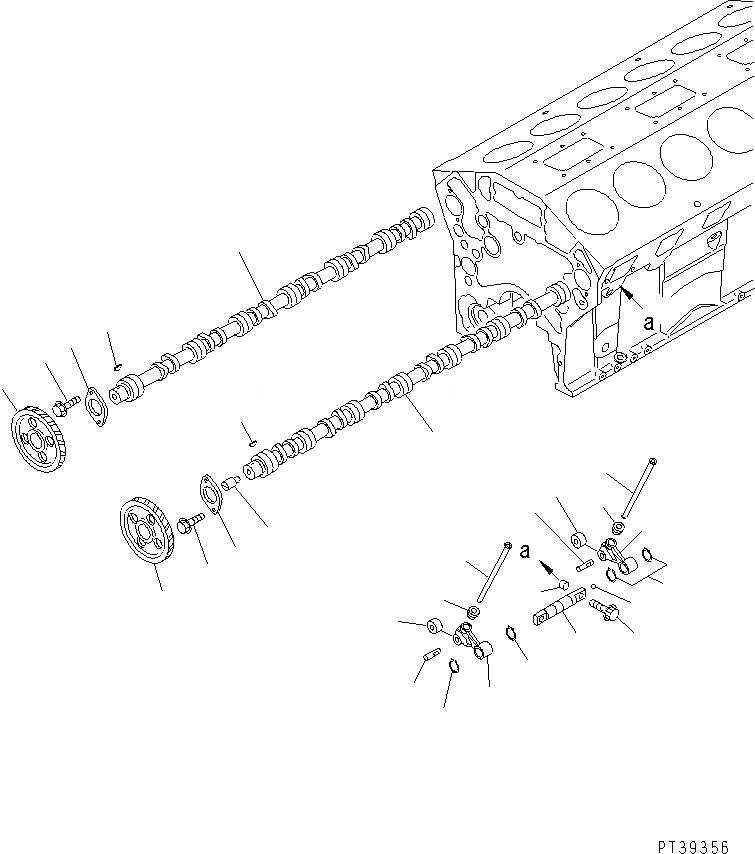
Запчасти распредвал и толкатель клапана(№-98) двигатели sa12v140-1s-wd s/n 11640-up Komatsu
|
|
|1 |
6215-41-1200 |
CAMSHAFT ASS'Y,L.H.
|
|
|
|1 |
6215-41-1100 |
CAMSHAFT ASS'Y,R.H.
|
|
|
1 |
|
CAMSHAFT,L.H.
|
|
|
|1 |
|
CAMSHAFT,R.H.
|
|
|
2 |
6210-41-1120 |
GEAR,L.H.
|
|
|
|2 |
6215-41-1130 |
GEAR,R.H.
|
|
|
3 |
04010-00725 |
KEY
|
|
|
4 |
6210-41-1130 |
PLATE,THRUST
|
|
|
5 |
01437-01220 |
BOLT
|
|
|
6 |
6210-81-3510 |
SHAFT,TACHO DRIVE
|
|
|
|7 |
6210-41-2300 |
LEVER ASS'Y
|
|
|
7 |
|
LEVER
|
|
|
8 |
|
SOCKET
|
|
|
9 |
|
ROLLER,CAM
|
|
|
10 |
|
PIN,ROLLER
|
|
|
|11 |
6210-41-2400 |
SHAFT ASS'Y
|
|
|
11 |
|
SHAFT
|
|
|
12 |
6150-81-8420 |
BALL
|
|
|
13 |
04064-02212 |
RING,SNAP
|
|
|
14 |
6210-41-2450 |
BOLT
|
|
|
15 |
6210-41-2430 |
PIN,DOWEL
|
|
|
16 |
6210-41-3120 |
ROD,PUSH
|
1
1
2
2
3
3
4
4
5
5
6
7
7
7
8
8
9
9
10
10
11
12
13
13
13
14
15
16
16