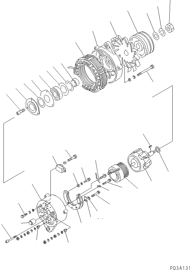
| |1 | 600-821-7360 | ALTERNATOR A. (35A) | |
| 1 | KD1-33100-1270 | ROTOR ASS'Y | |
| 2 | KD1-0456-63057 | BEARING,BALL | |
| 3 | KD1-0416-04160 | KEY | |
| 4 | KD1-33923-0780 | COLLAR | |
| 5 | KD1-0055-06162 | SCREW | |
| 6 | KD0-35926-0060 | RETAINER | |
| 7 | KD1-33951-0610 | PACKING | |
| 8 | KD1-33926-0750 | RETAINER | |
| 9 | KD1-33926-0730 | RETAINER | |
| 10 | KD1-33923-0810 | COLLAR | |
| 11 | KD1-33200-1230 | STATOR ASS'Y | |
| 12 | KD1-33310-1061 | BRACKET | |
| 13 | KD0-0275-06852 | BOLT | |
| 14 | KD0-35411-0191 | PULLEY,NON HARDENING | |
| 15 | KD0-35420-0010 | FAN | |
| 16 | KD1-0330-16012 | WASHER | |
| 17 | KD1-0335-16002 | WASHER,SPRING | |
| 18 | KD0-0280-16022 | NUT | |
| 19 | KD0-33120-0220 | FIELD COIL ASS'Y | |
| |20 | KD0-35700-0101 | REAR BRACKET ASS'Y | |
| 20 | KD0-35710-0111 | BRACKET,REAR | |
| 21 | KD0-33730-2190 | RECTIFIER ASS'Y | |
| 22 | KD0-0081-05380 | BOLT | |
| 23 | KD1-09202-0070 | BEARING,ROLLER | |
| 24 | KD1-33943-0720 | BUSHING,INSULATE | |
| 25 | KD1-33928-0220 | STOPPER | |
| 26 | KD1-09102-0010 | PLATE,INSULATE | |
| 27 | KD0-0056-05352 | SCREW | |
| 28 | KD0-0056-05202 | SCREW | |
| 29 | KD1-33928-0230 | STOPPER | |
| 30 | KD1-33943-0760 | BUSHING,INSULATE | |
| 31 | KD0-0081-05550 | BOLT | |
| 32 | KD0-0081-05500 | BOLT | |
| 33 | KD1-0550-05013 | PLATE,TERMINAL | |
| 34 | KD7-44000-0908 | REGULATOR | |
| 35 | KD0-0056-05452 | SCREW |