zakaz@zapkomat.su
8 800 777-45-32
Расчитать заявку
Каталог
Типы
Гидравлика
Крепеж
Прокладки
Соединения
Кожухи
Электрика
Справочник
Запрос сотрудничества
Сервисным организациям
Контакты
Главная
Справочник
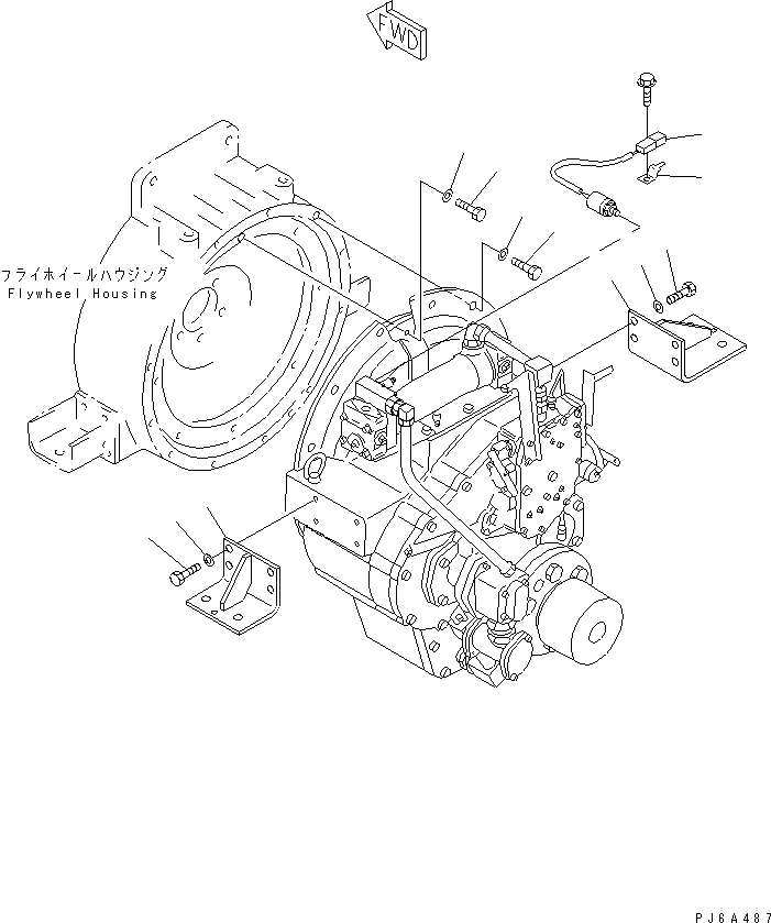
Запчасти marine привод крепление (для marine привод mg-t)(№7-) двигатели sa6d125-1hh s/n 10001-up Komatsu
1
01010-81235
BOLT
2
01643-31232
WASHER
3
01010-81240
BOLT
4
01643-31232
WASHER
5
7700-17-4250
BRACKET
6
7700-17-4260
BRACKET
7
01016-51850
BOLT
8
01640-21826
WASHER
9
7700-85-1570
SWITCH
10
08053-01512
CLIP
1
2
3
4
5
6
7
7
8
8
9
10
X
Рассчитать
Ваше имя:
Телефон *:
E-mail:
Сообщение: Пришлите наличие и стоимость
Оформить заказ