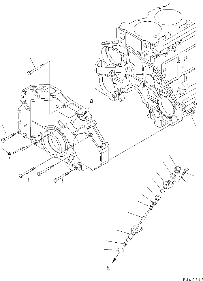
| 1 | 6150-22-3340 | POINTER | |
| 2 | 01010-81065 | BOLT | |
| 3 | 01010-81070 | BOLT | |
| 4 | 01010-81075 | BOLT | |
| 5 | 6150-81-9130 | BOLT | |
| |6 | 6150-81-5100 | DRIVE ASS'Y | |
| 6 | 6150-81-5120 | SHAFT | |
| 7 | 6110-73-3220 | GEAR | |
| 8 | 6150-81-5110 | BUSHING | |
| 9 | 6150-71-1910 | SEAL (K2) | |
| 10 | 6162-73-1960 | WASHER,FELT (K2) | |
| 11 | 6162-73-1970 | SPACER | |
| 12 | 07000-03030 | O-RING (K2) | |
| 13 | 6150-81-5140 | HOUSING | |
| 14 | 07000-02020 | O-RING (K2) | |
| 15 | 01014-81030 | BOLT | |
| 16 | 01640-21016 | WASHER | |
| 17 | 6136-81-5291 | CAP | |
| 18 | 6130-82-5270 | GASKET |