zakaz@zapkomat.su
8 800 777-45-32
Расчитать заявку
Каталог
Типы
Гидравлика
Крепеж
Прокладки
Соединения
Кожухи
Электрика
Справочник
Запрос сотрудничества
Сервисным организациям
Контакты
Главная
Справочник
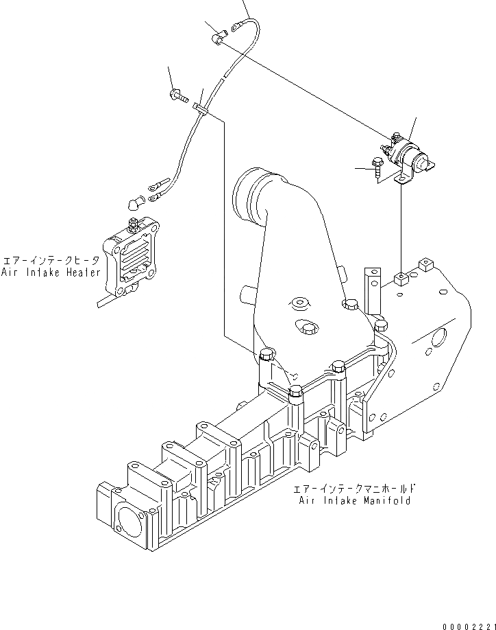
Запчасти выключатель подогревателя(№-) бульдозеры гусеничные d85ex-15 s/n 10001-up Komatsu
1
600-815-2170
SWITCH
2
01435-00610
BOLT
3
6206-81-4720
WIRE¤ 480MM
4
08038-00519
CAP
5
08036-00814
CLIP
6
01435-00616
BOLT
1
2
3
4
5
6
X
Рассчитать
Ваше имя:
Телефон *:
E-mail:
Сообщение: Пришлите наличие и стоимость
Оформить заказ