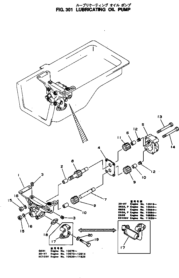
| |1 | 6114-51-1101 | OIL PUMP ASS'Y | |
| |1 | 6114-51-1100 | OIL PUMP ASS'Y | |
| 1 | BODY | ||
| 2 | BUSHING | ||
| 3 | 07043-00312 | PLUG | |
| 4 | 6110-53-1122 | PLATE | |
| 5 | BODY | ||
| 6 | BUSHING | ||
| 7 | 6110-53-1162 | SHAFT | |
| 8 | 6114-51-1310 | SHAFT | |
| |9 | 6112-53-1500 | GEAR ASS'Y | |
| 9 | GEAR | ||
| 10 | BUSHING | ||
| 11 | 6110-53-1414 | GEAR | |
| 12 | 07043-00108 | PLUG | |
| 13 | 6110-53-1170 | BOLT | |
| 14 | 6110-53-1180 | BOLT | |
| 15 | 01582-01008 | NUT | |
| 16 | 01602-01030 | WASHER | |
| 17 | 6114-51-6310 | PIPE | |
| |17 | 6110-53-1712 | PIPE | |
| 18 | 6110-53-1720 | GASKET (K2) | |
| 19 | 01010-31050 | BOLT | |
| 20 | 01602-01030 | WASHER |