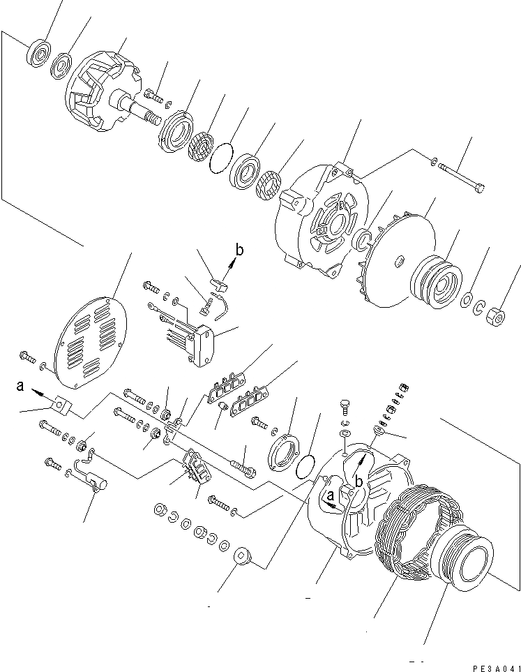
| |1 | 600-821-9560 | ALTERNATOR A. (75A) | |
| 1 | SD1211-40300X0 | STATOR ASS'Y | |
| |2 | SD1230-18802X0 | REAR BRACKET ASS'Y | |
| 2 | SD2240-19500X0 | BRACKET,REAR | |
| 3 | SD1235-06400X0 | HEAT SINK ASS'Y(+) | |
| 4 | SD1235-06410X0 | HEAT SINK ASS'Y(-) | |
| 5 | SD5010-26400X0 | BOLT | |
| 6 | SD3220-38800X0 | SUPPORT | |
| 7 | SD4215-04000X0 | INSULATOR | |
| 8 | SD4041-07500X0 | BUSHING | |
| 9 | SD4215-03900X0 | INSULATOR | |
| 10 | SD4041-00900X0 | BUSHING | |
| 11 | SD6060-11920X0 | CONDENSER | |
| 12 | SD8140-0503010 | BOLT | |
| 13 | SD4215-01300X0 | INSULATOR | |
| 14 | SD4041-05700X0 | BUSHING | |
| 15 | SD1510-02910X0 | REGULATOR ASS'Y | |
| 16 | SD4142-01000X0 | O-RING | |
| 17 | SD2202-01401X0 | COVER | |
| 18 | SD6206-00730X0 | BEARING,BALL | |
| 19 | SD3409-00300X0 | COVER | |
| 20 | SD1251-00700X0 | COIL ASS'Y | |
| 21 | SD1221-15100X0 | ROTOR ASS'Y | |
| |22 | SD1240-07200X0 | FRONT BRACKET ASS'Y | |
| 22 | SD2242-08600X0 | BRACKET,FRONT | |
| 23 | SD6410-02000X0 | SEAL,OIL | |
| 24 | SD6206-00320X0 | BEARING,BALL | |
| 25 | SD4142-00900X0 | O-RING | |
| 26 | SD2202-02200X0 | COVER,BEARING | |
| 27 | SD5010-21500X0 | BOLT | |
| 28 | SD5010-04730X0 | BOLT | |
| 29 | SD3600-17300X0 | COLLAR | |
| 30 | SD1982-03200X0 | FAN ASS'Y | |
| 31 | SD2080-22400X0 | PULLEY,NON HARDENING | |
| 32 | SD3000-07800X0 | WASHER | |
| 33 | SD8264-1830010 | NUT | |
| 34 | SD3002-04600X0 | COVER |