- Главная
- Справочник
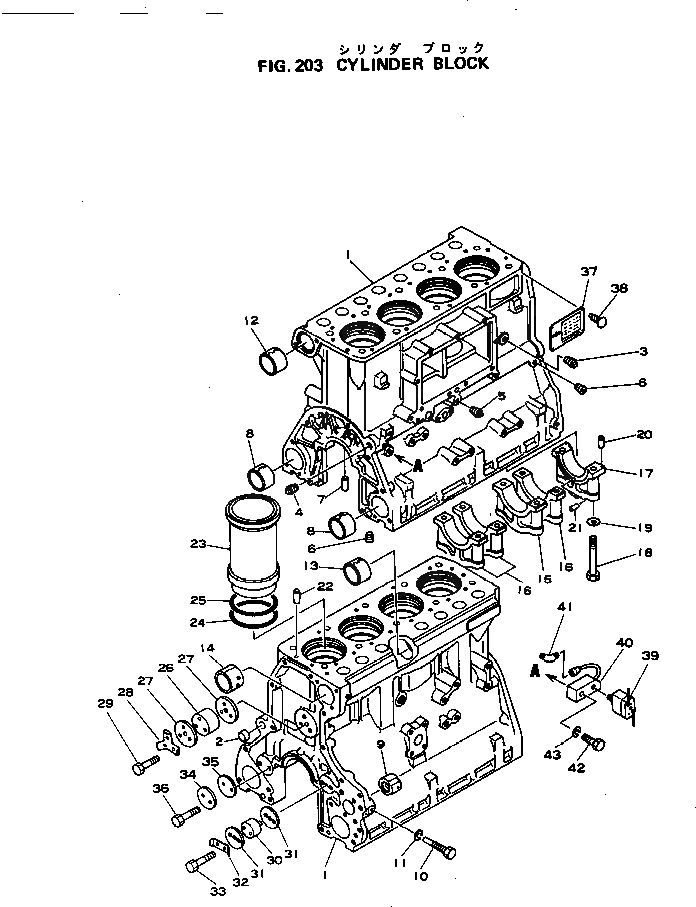
Запчасти блок цилиндров генераторы дизельные eg55-1 s/n 1001-up Komatsu
|
|
|$0 |
6130-25-1010 |
CYLINDER BLOCK ASS'Y
|
|
|
|$1 |
6130-25-1020 |
CYLINDER BLOCK A.
|
|
|
1 |
|
BLOCK,CYLINDER
|
|
|
2 |
6130-11-1420 |
PLUG
|
|
|
3 |
07042-00211 |
PLUG
|
|
|
4 |
07042-00415 |
PLUG
|
|
|
5 |
6100-21-1130 |
PLUG
|
|
|
6 |
6110-23-1170 |
PLUG
|
|
|
7 |
04025-00324 |
PIN
|
|
|
8 |
6110-23-1442 |
BUSHING
|
|
|
9 |
6130-21-1513 |
BUSHING,OIL PUMP
|
|
|
10 |
6130-21-1130 |
BOLT
|
|
|
11 |
07005-01012 |
GASKET (K2)
|
|
|
12 |
6130-21-1410 |
BUSHING,CAMSHAFT
|
|
|
13 |
6130-21-1420 |
BUSHING,CAMSHAFT
|
|
|
14 |
6130-21-1430 |
BUSHING,CAMSHAFT
|
|
|
15 |
6130-21-1231 |
CAP,MAIN METAL
|
|
|
16 |
6130-21-1211 |
CAP,MAIN METAL
|
|
|
17 |
6130-21-1252 |
CAP,MAIN METAL
|
|
|
18 |
6130-21-1710 |
BOLT
|
|
|
19 |
6130-21-1750 |
WASHER
|
|
|
20 |
04020-00514 |
PIN,DOWEL
|
|
|
21 |
6130-21-1262 |
PIN,DOWEL
|
|
|
21 |
6130-21-1260 |
PIN,DOWEL
|
|
|
22 |
6130-21-1910 |
PIN,DOWEL
|
|
|
23 |
6130-21-2310 |
LINER,CYLINDER
|
|
|
24 |
6130-21-2220 |
O-RING,LOWER (K2)
|
|
|
25 |
6130-21-2230 |
O-RING,UPPER (K2)
|
|
|
26 |
6130-21-2410 |
SHAFT
|
|
|
27 |
6130-21-2420 |
PLATE
|
|
|
28 |
6130-21-2430 |
PLATE,LOCK (K2)
|
|
|
29 |
01010-61265 |
BOLT
|
|
|
30 |
6130-21-2510 |
SHAFT
|
|
|
31 |
6130-21-2520 |
PLATE
|
|
|
32 |
6130-21-2530 |
PLATE,LOCK (K2)
|
|
|
33 |
01010-31055 |
BOLT
|
|
|
34 |
6130-25-2510 |
PLATE
|
|
|
35 |
6130-25-2520 |
GASKET
|
|
|
36 |
01010-31025 |
BOLT
|
|
|
37 |
6131-81-2810 |
PLATE, NAME,(LIMITED SUPPLY)
|
|
|
38 |
04418-02550 |
SCREW
|
|
|
39 |
600-815-1261 |
SWITCH,PRESSURE
|
|
|
40 |
6131-51-7510 |
PIPE
|
|
|
41 |
07217-50610 |
ELBOW
|
|
|
42 |
01010-31245 |
BOLT
|
|
|
43 |
01602-01236 |
WASHER,SPRING
|