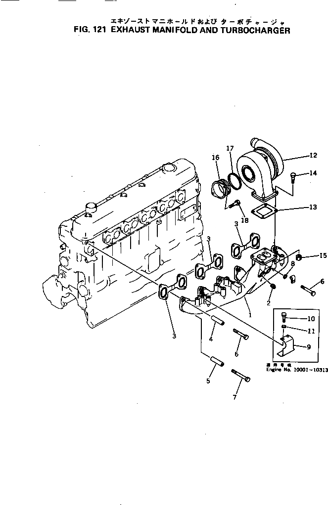
| 1 | 6137-11-5110 | EXHAUST MANIFOL | |
| 2 | 07042-20108 | PLUG | |
| |2 | 07042-20108 | PLUG | |
| 3 | 6136-11-5810 | GASKET | |
| 4 | 6136-11-5120 | SPACER | |
| 5 | 6136-11-5120 | SPACER | |
| 6 | 01011-31000 | BOLT | |
| |6 | 01011-31005 | BOLT | |
| 7 | 01011-31000 | BOLT | |
| |7 | 01011-31005 | BOLT | |
| 8 | 01643-31032 | WASHER | |
| |8 | 01643-31032 | WASHER | |
| 12 | 6137-82-8200 | TURBOCHARGER AS | |
| |12 | 6137-81-8301 | TURBOCHARGER AS | |
| 13 | 6131-11-5170 | GASKET | |
| 14 | 02030-40638 | BOLT | |
| |14 | 02030-20638 | BOLT | |
| 15 | 6131-11-1290 | NUT | |
| 16 | 6131-11-5230 | JOINT | |
| 17 | 6114-11-5280 | SEAL RING | |
| 18 | 6131-11-5360 | BOLT |