- Главная
- Справочник
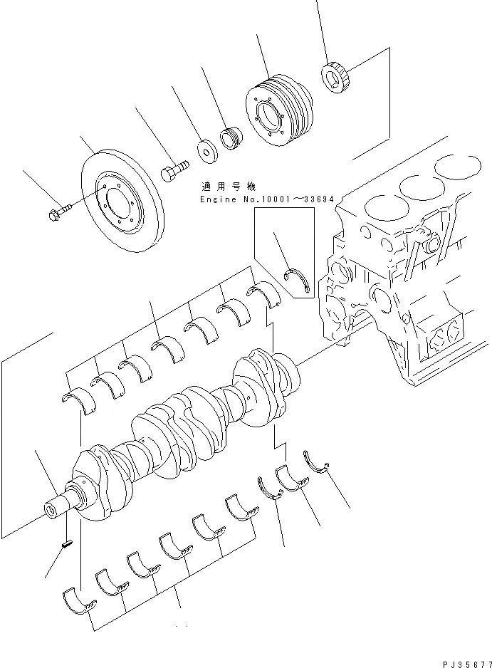
Запчасти коленвал двигатели s6d95l-1c s/n 10001-up Komatsu
|
|
|$0 |
6207-31-1100 |
CRANKSHAFT ASS'Y
|
|
|
1 |
|
CRANKSHAFT
|
|
|
2 |
6204-31-1220 |
GEAR,CRANKSHAFT
|
|
|
3 |
6206-31-1530 |
KEY
|
|
|
4 |
6206-31-1430 |
PULLEY,NON HARDENING,CRANK
|
|
|
4 |
6206-31-1830 |
PULLEY, HARDENING,CRANK
|
|
|
5 |
6136-31-1420 |
COLLAR,TAPER
|
|
|
6 |
6136-31-1431 |
PLATE
|
|
|
7 |
01050-31845 |
BOLT,NYLOCK
|
|
|
7 |
6110-33-1411 |
BOLT,NYLOCK
|
|
|
8 |
6206-31-8100 |
DAMPER
|
|
|
9 |
01435-21016 |
BOLT
|
|
|
|$12 |
6204-21-8100 |
MAIN METAL ASS'Y
|
|
|
10 |
|
METAL,UPPER
|
|
|
11 |
|
METAL,LOWER
|
|
|
12 |
6204-21-8600 |
THRUST METAL ASS'Y
|
|
|
12 |
6204-21-8500 |
THRUST METAL ASS'Y
|
|
|
12 |
|
METAL
|
|
|
12 |
|
METAL
|
1
2
3
4
5
6
7
8
9
10
11
11
10
11
11
10
11
11
10
11
11
10
11
11
12
12
12
12
12
12
12
12
12
12
12
12
12
12
12