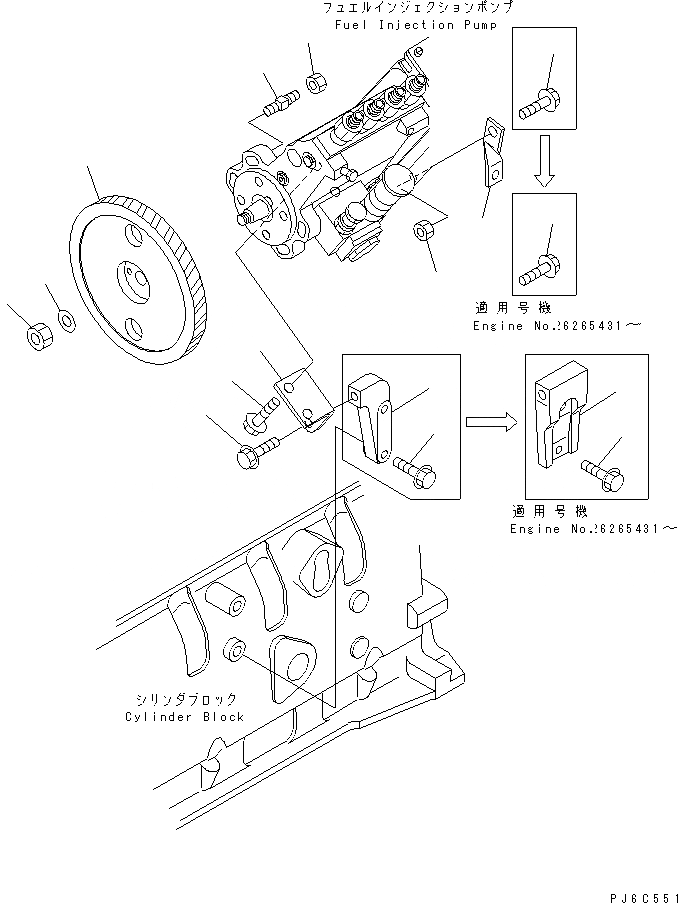
| 1 | 6732-71-3681 | BRACKET | |
| 1 | 6732-71-3621 | BRACKET | |
| 2 | 6732-21-5160 | BOLT | |
| 2 | 6732-61-6140 | BOLT | |
| 3 | 6732-71-3611 | BRACKET | |
| 4 | 6735-61-3810 | BOLT | |
| 4 | 6732-61-3140 | BOLT | |
| 5 | 01435-01014 | BOLT | |
| 6 | 6734-71-5270 | STUD | |
| 6 | 6735-71-3180 | STUD | |
| 6 | 6735-71-3120 | STUD | |
| 7 | 6736-81-6170 | NUT | |
| 8 | 6732-71-3112 | GEAR | |
| 8 | 6732-71-3111 | GEAR | |
| 9 | 6130-32-1361 | WASHER | |
| 10 | 01582-01411 | NUT | |
| 11 | 6732-71-3630 | BRACKET | |
| 12 | 6732-61-3140 | BOLT |