zakaz@zapkomat.su
8 800 777-45-32
Расчитать заявку
Каталог
Типы
Гидравлика
Крепеж
Прокладки
Соединения
Кожухи
Электрика
Справочник
Запрос сотрудничества
Сервисным организациям
Контакты
Главная
Справочник
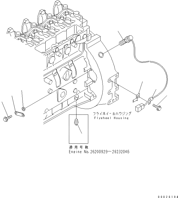
Запчасти картер маховика (с датчик вращения)(№99-) двигатели s4d102e-1x-2 s/n 26200163-up Komatsu
1
02721-00813
PLUG
2
7861-92-2310
SENSOR,REVOLUTION
3
08053-01512
CLIP
4
08036-10614
CLIP
5
01435-01220
BOLT
6
01435-00825
BOLT
7
6301-11-4630
PLATE
8
6110-23-6490
SPACER
1
2
3
4
5
6
7
8
X
Рассчитать
Ваше имя:
Телефон *:
E-mail:
Сообщение: Пришлите наличие и стоимость
Оформить заказ