| |$2 | 6732-11-1011 | HEAD ASS'Y | |
| |$3 | 6732-11-1010 | HEAD ASS'Y | |
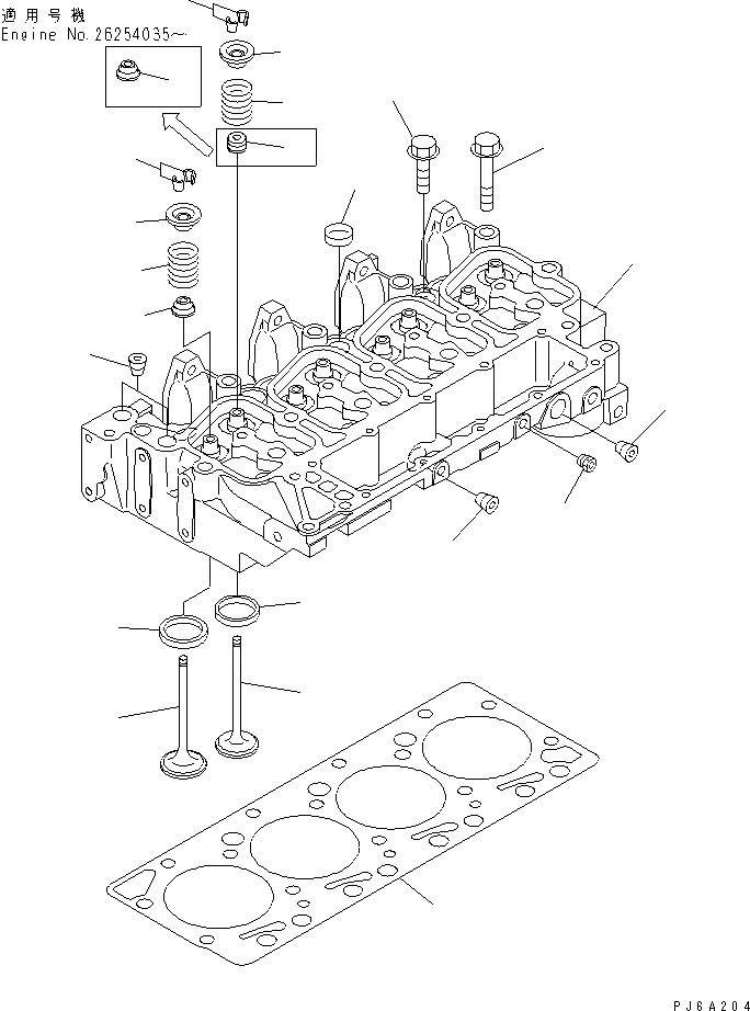
| 1 | HEAD | ||
| 1 | HEAD | ||
| 1 | HEAD | ||
| 2 | 6736-11-1150 | PLUG | |
| 3 | 6732-11-1170 | INSERT,EXHAUST | |
| 4 | 6732-11-1180 | INSERT,INTAKE | |
| 5 | 6732-11-1910 | PLUG | |
| 6 | 6732-11-1930 | PLUG | |
| 7 | 6732-41-4530 | SEAL,EXHAUST | |
| 8 | 6732-41-4541 | SEAL (K1) | |
| 8 | 6732-41-4540 | SEAL (K1) | |
| 8 | 6732-41-4540 | SEAL,INTAKE | |
| |$16 | 6736-41-4110 | INTAKE VALVE ASS'Y | |
| 9 | VALVE | ||
| 10 | 6732-41-4520 | COTTER | |
| |$19 | 6736-41-4210 | EXHAUST VALVE ASS'Y | |
| 11 | 6732-41-4210 | VALVE | |
| 12 | 6732-41-4520 | COTTER | |
| 13 | 6732-41-4410 | SPRING | |
| 14 | 6731-41-4511 | RETAINER | |
| 14 | 6731-41-4510 | RETAINER | |
| 14 | 6732-41-4510 | RETAINER | |
| 15 | 6732-11-1610 | BOLT | |
| 16 | 6732-11-1620 | BOLT | |
| 17 | 6732-11-1151 | GASKET (K1) |